Witaj! Panel klienta

0 986 479 425BOSCH

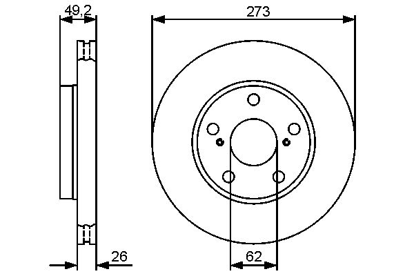
tarcza hamulcowa
TARCZA HAMULC. TOYOTA AURIS 07-12 PRZÓD
Parametry:
  • średnica zewnętrzna [mm] : 273
  • Grubość tarczy hamulcowej [mm] : 26
  • Minimalna grubość [mm] : 23
  • Wysokość [mm] : 49,2
  • Ø rozmieszczenia otworów [mm] : 114,3
  • Typ tarczy hamulcowej : wentylowany
  • Średnica otworu centrującego [mm] : 62
  • Liczba otworów : 5
  • Powierzchnia : naoliwione
  • spełnia wymagania Normy ECE : ECE-R90
  • Średnica otworu do [mm] : 14,7
( brutto)
SKU 0 986 479 425
Producent

Kłodnica
Towar dostępny od ręki
0
Magazyn 1.
Pn-Pt zamówienia do 10:55 - dostawa 3 trasa Zamówienia do 17:55 dostawa 1 trasa rano
0
Magazyn 2.
Zamówienia do 17:55 dostawa 1 trasa rano
0
Magazyn 3.
Zamówienia do 17:55 dostawa 1 trasa rano
0
APEC: DSK2745, SDK6272
ATE: 24 0126 0148 1
BREMBO: 09A86511, 09A86514, 09A8651X, PAD900, PD3294, PD4263
CAR: 142683
DELPHI: BG4234, BG4234C
FERODO: DDF1668, DDF16681, DDF1668C
GIRLING: DF4808
HERTH+BUSS ELPARTS: J3302171
HERTH+BUSS JAKOPARTS: J3302159
JURID: 562623JC, 562623JC1
LPR: T2048V, T2048VR
METELLI: 230979C
MINTEX: BDS1282, MDC2017, MDC2017C
NK: 2045120, 3145120
NUOVA TECNODELTA: 1421547
OPTIMAL GERMANY: BS8512C
PAGID: 54637, 54637NC
PILENGA: V733
QUINTON HAZELL: BDC5669, BSF5669, MBD5669
RAICAM: RD01097
REMSA: 6104310
ROADHOUSE: 6104310
SBS: 18152045120, 2045120
TEXTAR: 92163700, 92163703, 98200163701
TRW: DF4808
VALEO: 197185, 672755
ZIMMERMANN: 590280220, 590280252
TOYOTA: AURIS (_E15_) (2006-10 » 2013-01), AURIS Furgon/hatchback (_E15_) (2007-03 » 2012-09), COROLLA sedan (_E15_) (2006-10 » 2018-12)