Witaj! Panel klienta

14.A676.10BREMBO

bęben hamulcowy
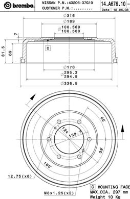
BĘBEN HAMULCOWY NISSAN PICKUP 87-01
Parametry:
  • Wewnętrzna wysokość bębna hamulca [mm] : 69
  • Liczba otworów : 6
  • Średnica zewnętrzna bębna hamulca [mm] : 295
  • Całkowita wysokość bębna hamulca [mm] : 88,5
  • maks. wielkość poślizgu bębna [mm] : 297
  • Średnica zabudowy [mm] : 100,5
( brutto)
SKU 14.A676.10
Producent

Kłodnica
Towar dostępny od ręki
0
Magazyn 1.
Pn-Pt zamówienia do 10:55 - dostawa 3 trasa Zamówienia do 17:55 dostawa 1 trasa rano
0
Magazyn 2.
Zamówienia do 17:55 dostawa 1 trasa rano
0
Magazyn 3.
Zamówienia do 17:55 dostawa 1 trasa rano
0
NISSAN: 4320637G10
AP: 55302
BRECO: BT1676
NK: 262205
SBS: 1825262205
TRW: DB4351
NISSAN: PICK UP (D21) (1985-09 » 2008-12), PICK UP (D22) (1997-01 » )