Witaj! Panel klienta

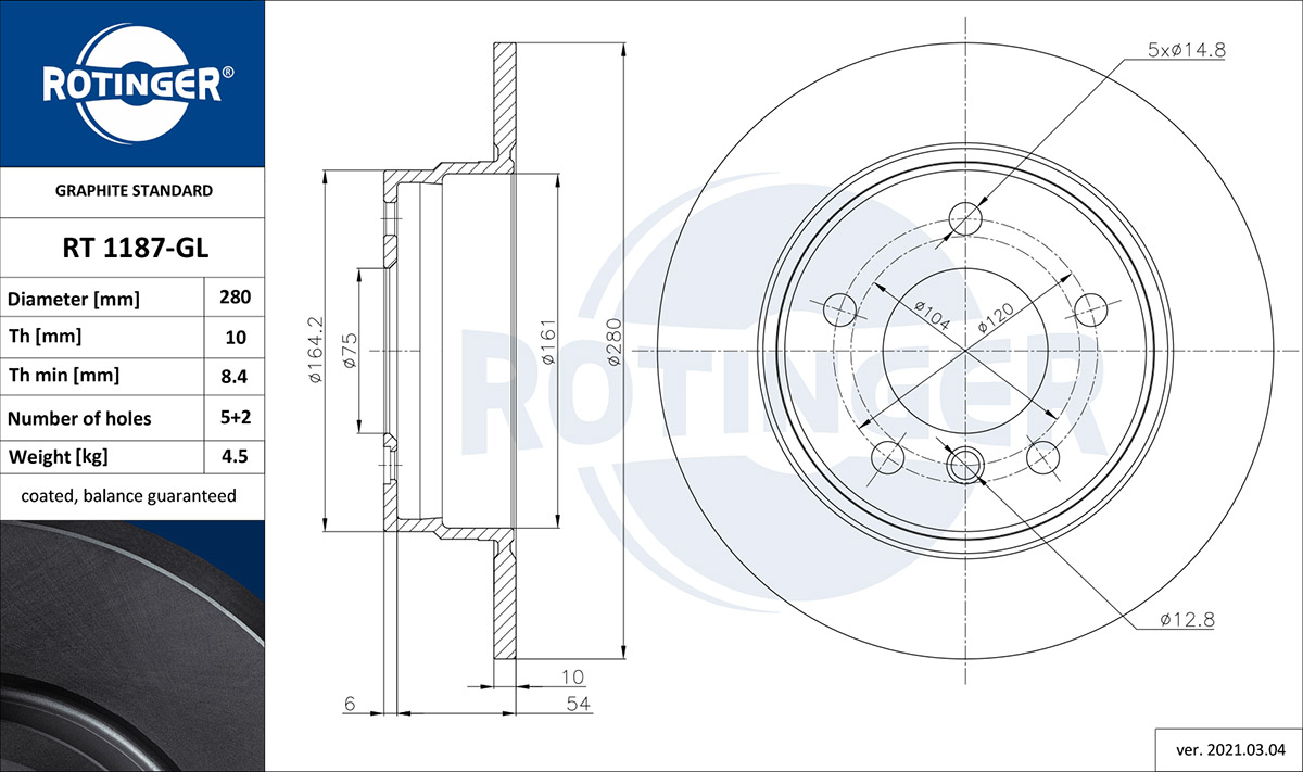
RT 1187-GLROTINGER

tarcza hamulcowa
TARCZA HAMULCOWA BMW 3 (E36)(E46) [280X60]
Parametry:
  • Typ tarczy hamulcowej : pełny
  • Powierzchnia : pokrywany galwanicznie
  • Strona zabudowy : Oś tylna
  • średnica zewnętrzna [mm] : 280
  • Średnica wewnętrzna [mm] : 160,9
  • Średnica otworu centrującego [mm] : 75
  • Wysokość [mm] : 60
  • Grubość tarczy hamulcowej [mm] : 10
  • Minimalna grubość [mm] : 8,4
  • Liczba otworów : 5
  • Wymiar gwintu : 14,6
  • Ciężar [kg] : 4,5
  • Ø rozmieszczenia otworów [mm] : 120
( brutto)
SKU RT 1187-GL
Producent

Kłodnica
Towar dostępny od ręki
0
A.B.S.: 16084
A.P.: 14304E
ABEX: W 0505
ACDELCO: AC2256D
AIMCO: 34007
AP: 14304 V, X 14304
APEC: DSK536
ATE: 24 0110 0202 1, 24 0310 0202 1, 24 1110 0202 1, 410202, CW10202
BARUM: BAR10202
BECK/ARNLEY: 0832551
BENDIX: 345124, 561552 B, 561552BC
BORG & BECK: BBD4953
BOSCH: 0 986 478 561, 0 986 479 S34, F 026 A01 024
BRADI: 1.0632.5.4
BRAKE ENGINEERING: DI955156
BRECO: BS 7416, BV 7563
BREMBO: 08 5366 10, 08 5366 20, 08 5366 21, 08 5366 24, 08 5366 76
CAR: 142.109, HPD 109
CIFAM: 800-229
DBA AUSTRALIA: DBA983
DELPHI: BG2624, BG624
DURA: BR34007
FAG: BS3805
FEBI BILSTEIN: 01725
FERODO: DDF249, DDF249-1, DDF249C, DDF249C-1, DRF249
FIRST LINE: FBD439
FTE: BS3805, BS3805H, BS3805HB
GALFER: B1.G210-0202.1, G2110202
GIRLING: 6015394, 6015395
GRAF: DF29229
HELLA: 8DD 355 102-591, 8DD 355 102-601, 8DD 355 102-602, 8DD 355 124-611, 8DD 355 127-051
HELLA PAGID: 8DD 355 102-591, 8DD 355 102-601, 8DD 355 102-602, 8DD 355 124-611, 8DD 355 127-051
JURID: 561552 J, 561552JC
LEMFORDER: 10397 03
LPR: B2371P
MAGNETI MARELLI: 353610632540, 360704029400, 431602041690
MAPCO: 15762
METELLI: 23-0229, 23-0229C
METZGER AUTOTEILE: 14304 E, 14304V, 6284.00, X14304
MEYLE: 315 523 0037, 315 523 0037/PD, 315 523 3005, 315 523 3005/PD
MGA: D1029
MINTEX: MDC623
NATIONAL: NBD 212
NECTO: WN505
NK: 201525, 311525
OBTEC A/S: 131330
PAGID: 50413, 50413PRO
PEX: 14.0104, 14.0104N
PILENGA: 5128
QH BENELUX: 57379
QUINTON HAZELL: 6284.00, BDC3805, BSF3805
RAYBESTOS: 96387
REMSA: 6284.00
REMY: RAD1132C
ROADHOUSE: 6284 00
ROTINGER: RT 1187-GL, RT 1187-GL T1, RT 1187-GL T2, RT 1187-GL T3, RT 1187-GL T4, RT 1187-GL T5, RT 1187-GL T6, RT 1187-GL T7, RT 1187-GL T9, RT 1187 T1, RT 1187 T2, RT 1187 T3, RT 1187 T4, RT 1187 T5, RT 1187 T6, RT 1187 T7, RT 1187 T9
ROULUNDS BRAKING: D2256
ROULUNDS RUBBER: D2256
SBS: 1815201525, 1815311525
SEBRO: 24 45
ST-TEMPLIN: 0311011710, 0311011715
SWAG: 20 90 1725
TEXTAR: 92055700, 92055703, 98200 0557 0 1, 98200 0557 0 1 PRO
TRISCAN: 8120 11118, 8120 11118C
TRUCKTEC AUTOMOTIVE: 08.34.032
TRW: DF1539, DF1539S
VAICO: V20-40037
VALEO: 185166, 186295, DF411
WAGNER: BD125278
WOKING: P628400
ZIMMERMANN: 1501270, 150 1270 00, 150.1270.20, 150.1270.50, 150.1270.52
BMW: 3 (E36) (1990-09 » 1998-11), 3 (E46) (1997-12 » 2005-05), 3 Compact (E46) (2001-03 » 2005-02), 3 coupe (E36) (1991-10 » 1999-05), 3 coupe (E46) (1998-12 » 2006-07), 3 kabriolet (E36) (1993-03 » 1999-11), 3 Touring (E36) (1994-08 » 1999-12)