Witaj! Panel klienta

588021VALEO

sprzęgło jednokierunkowe
SPRZĘGŁO ALTERNATORA OPEL
Parametry:
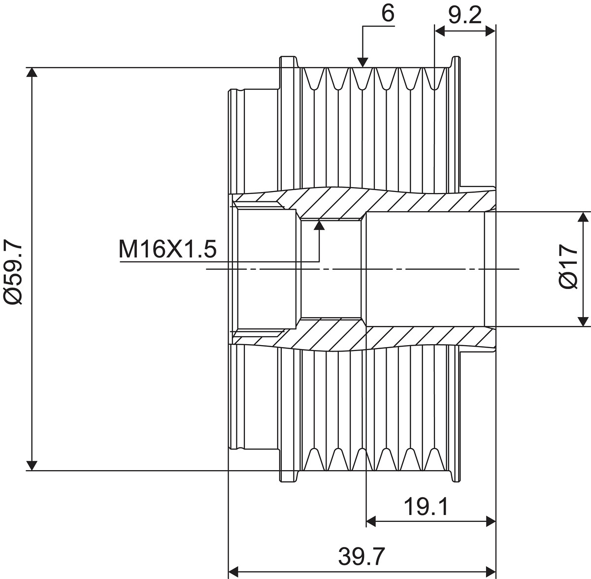
  • średnica zewnętrzna [mm] : 63
  • Szerokość [mm] : 39,7
  • Wymiar gwintu : M16
  • Liczba rowków : 6
  • Rozstaw od pierwszego rowka [mm] : 9,2
  • Głębokość [mm] : 19,1
  • Średnica otworu [mm] : 17
  • Kształt łba śruby / nakrętki : Torx
  • Kierunek obrotów : zgodnie z ruchem wskazówek zegara
  • Ciężar [kg] : 0,6
( brutto)
SKU 588021
Producent

Kłodnica
Towar dostępny od ręki
0
Magazyn 1.
Pn-Pt zamówienia do 10:55 - dostawa 3 trasa Zamówienia do 17:55 dostawa 1 trasa rano
0
Magazyn 2.
Zamówienia do 17:55 dostawa 1 trasa rano
0
Magazyn 3.
Zamówienia do 17:55 dostawa 1 trasa rano
0
OPEL: 6204889
VAUXHALL: 97355778
ASAM AUTOMOTIVE: 55206
AUTEX: 654295
AUTLOG: RT5023
BOSCH: 1 987 945 417
BREDA LORETT: CR 3803
CASCO: CCP20100, CCP90150
CAUTEX: 480906
CONTINENTAL CTAM: AP9044
DA SILVA: PRL106
DAYCO: ALP2424
EAI: 886043
FEBI BILSTEIN: 101747
FRIESEN: 1010183
GATES: OAP7037
GEBE: 3 5328 1
HELLA: 9XU 358 038-371
INA: 535006510, F232353, F-232353.03, F-232353.1, F240113, F-240113.01
LUCAS: LOPA0058
MEYLE: 614 053 1003
NK: 4910183
OPEN PARTS: ACA3042.00
OPTIMAL: F51049
RIDEX: 1390F0029
RUVILLE: 55375
SASIC: 1676025
SKF: VKM 03508
SNR: GA753.12
SWAG: 40 10 1747
VEMO: V40230002
OPEL: ASTRA G Kombi (T98) (1998-02 » 2005-07), ASTRA G liftback (T98) (1998-02 » 2009-12), ASTRA G sedan (T98) (1998-03 » 2009-12), ASTRA H (A04) (2004-01 » 2014-05), ASTRA H Furgon/kombi (L70) (2004-02 » 2014-10), ASTRA H GTC (A04) (2005-03 » 2010-10), ASTRA H Kombi (A04) (2004-08 » 2014-05), ASTRA H sedan (A04) (2007-02 » 2014-05), COMBO Furgon/minivan (2001-10 » ), COMBO Tour (2001-10 » 2011-12), CORSA C (X01) (2000-09 » 2009-12), CORSA C Furgon/hatchback (X01) (2000-09 » 2012-12), CORSA D (S07) (2006-07 » 2015-04), MERIVA A nadwozie wielkoprzestrzenne (MPV) (X03) (2003-05 » 2010-05), ZAFIRA / ZAFIRA FAMILY B (A05) (2005-07 » 2019-05)
VAUXHALL: ASTRA Mk IV (G) Kombi (T98) (1998-02 » 2005-05), ASTRA Mk IV (G) liftback (T98) (1998-02 » 2005-05), ASTRA Mk IV (G) sedan (T98) (1998-02 » 2005-05), ASTRA Mk V (H) (A04) (2004-01 » 2011-03), ASTRA Mk V (H) Kombi (A04) (2004-08 » 2012-10), ASTRA Mk V (H) Sport Hatch (A04) (2005-02 » 2010-11), ASTRAVAN Mk IV (G) Furgon/kombi (T98) (1993-01 » 2006-08), ASTRAVAN Mk V (H) Furgon/kombi (A04) (2005-03 » ), COMBO Mk II (C) Furgon/minivan (F25) (2001-09 » 2012-02), COMBO TOUR Mk II (C) (F25) (2001-09 » 2012-02), CORSA Mk II (C) (X01) (2000-08 » 2007-04), CORSA Mk III (D) (S07) (2006-07 » 2014-08), CORSAVAN Mk II (C) Furgon/hatchback (X01) (2000-09 » 2006-11), MERIVA A (X03) (2003-01 » 2010-06), ZAFIRA Mk II (B) (A05) (2005-04 » 2014-11)