Witaj! Panel klienta

588028VALEO

sprzęgło jednokierunkowe
SPRZĘGŁO ALTERNATORA OPEL
Parametry:
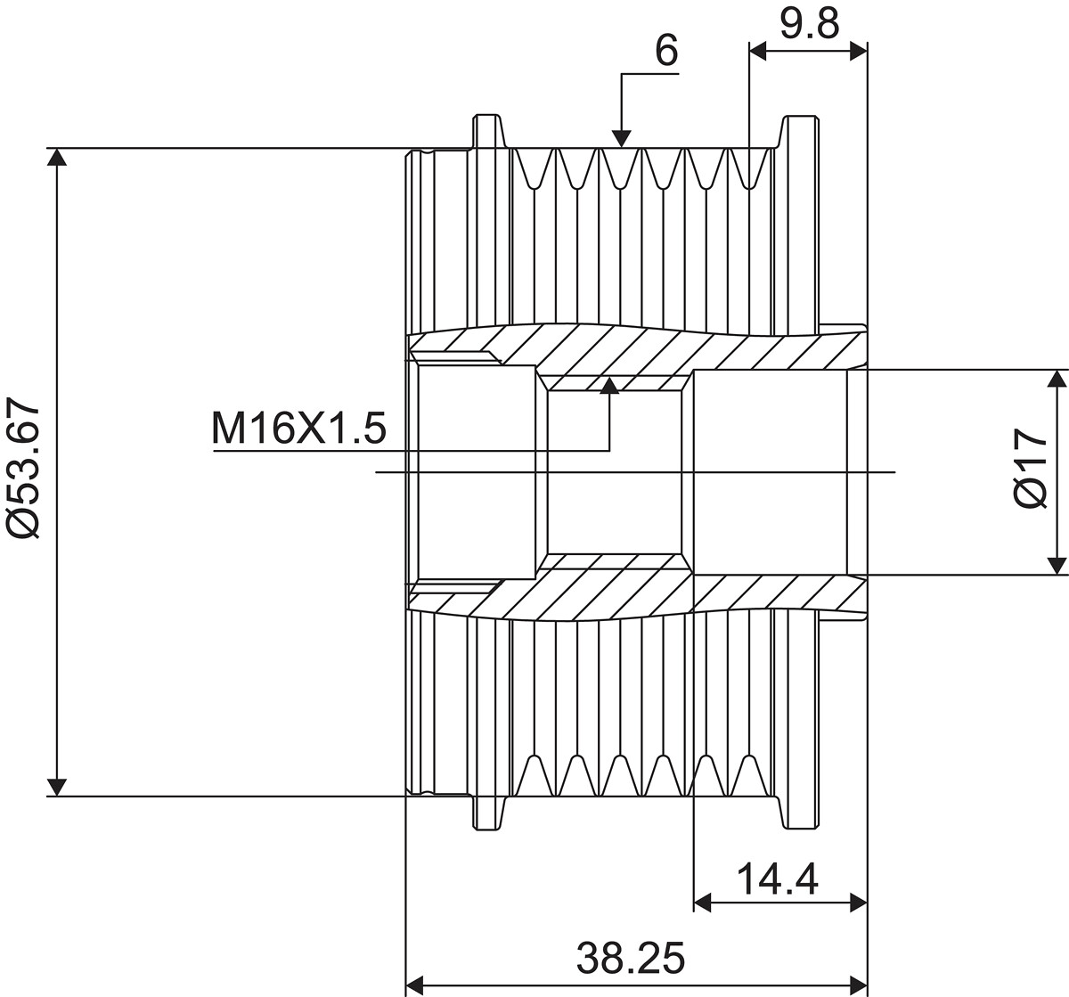
  • średnica zewnętrzna [mm] : 59
  • Szerokość [mm] : 38,3
  • Wymiar gwintu : M16
  • Liczba rowków : 6
  • Rozstaw od pierwszego rowka [mm] : 9,8
  • Głębokość [mm] : 14,4
  • Średnica otworu [mm] : 17
  • Kształt łba śruby / nakrętki : Torx
  • Kierunek obrotów : zgodnie z ruchem wskazówek zegara
  • Ciężar [kg] : 0,51
( brutto)
SKU 588028
Producent

Kłodnica
Towar dostępny od ręki
0
Magazyn 1.
Pn-Pt zamówienia do 10:55 - dostawa 3 trasa Zamówienia do 17:55 dostawa 1 trasa rano
0
Magazyn 2.
Zamówienia do 17:55 dostawa 1 trasa rano
0
Magazyn 3.
Zamówienia do 17:55 dostawa 1 trasa rano
0
OPEL: 1204177, 13258483
SAAB: 13258483
VAUXHALL: 13258483
AKRON-MALO: 1580135
ASHIKA: 1300WW05
AS-PL: AFP3034(INA), AFP3034(V), AFP3040
AUTEX: 654717
BREDA LORETT: CR 4076, RLA4076
CASCO: CCP90254
CONTINENTAL: AP9084
DA SILVA: PRL193
DAYCO: ALP2416
DOLZ: AFC193
EAI: 806132
ERA: ZN5623
FEBI BILSTEIN: 34599
GATES: OAP7135
GEBE: 3 5458 1
GK: 654717
HC-CARGO: F032333076, F032335268
HELLA: 9XU 358 039-101
HEPU: 153712
INA: 535020310, F239807, F563248, F-563248.01, F-563248.02, F570802, F-570802.01, F-570802.02
JAPANPARTS: RAW05
JAPKO: 130W05
KAVO PARTS: DFP1002
NIPPARTS: N1180902
OPTIMAL: F51160
RIDEX: 1390F0024
RUVILLE: 542380, 59965
SALERI SIL: T5380
SIDAT: 455183
SKF: VKM 03511
SNR: GA753.10
SWAG: 40 93 4599
TOPRAN: 209 173
VEMO: V40230007
HOLDEN: TRAX (TJ) (2013-10 » 2020-10)
OPEL: ADAM (M13) (2012-10 » 2019-05), ASTRA J (P10) (2009-09 » 2016-04), ASTRA J Furgon/hatchback (P10) (2009-09 » 2015-10), ASTRA J Furgon/kombi (P10) (2009-09 » 2015-10), ASTRA J GTC (2011-10 » 2018-04), ASTRA J sedan (2012-06 » ), ASTRA J Sports Tourer (P10) (2010-10 » 2015-10), CASCADA (W13) (2013-03 » 2019-04), CORSA D (S07) (2006-07 » 2015-04), CORSA D Furgon/hatchback (S07) (2006-07 » 2014-08), INSIGNIA A (G09) (2008-07 » 2017-03), INSIGNIA A Country Tourer (G09) (2008-07 » 2017-03), INSIGNIA A sedan (G09) (2008-07 » 2017-03), INSIGNIA A Sports Tourer (G09) (2008-07 » 2017-03), MERIVA B nadwozie wielkoprzestrzenne (MPV) (S10) (2010-06 » 2017-03), MERIVA B VAN (S10) (2010-06 » 2017-03), MOKKA / MOKKA X (J13) (2012-06 » 2019-12), ZAFIRA TOURER C (P12) (2011-10 » ), ZAFIRA TOURER C VAN (P12) (2011-10 » )
SAAB: 9-5 (YS3G) (2010-01 » 2012-01)
VAUXHALL: ADAM (M13) (2012-10 » 2019-04), ASTRA Mk VI (J) (P10) (2009-12 » 2015-10), ASTRA Mk VI (J) GTC (P10) (2011-10 » 2018-10), ASTRA Mk VI (J) Kombi (P10) (2010-10 » 2015-10), CASCADA kabriolet (W13) (2013-02 » ), CORSA Mk III (D) (S07) (2006-07 » 2014-08), CORSAVAN Mk III (D) Furgon/hatchback (S07) (2006-07 » ), INSIGNIA Mk I (A) Country Tourer (G09) (2008-07 » 2017-05), INSIGNIA Mk I (A) liftback (G09) (2008-07 » 2017-05), INSIGNIA Mk I (A) sedan (G09) (2008-07 » 2017-05), INSIGNIA Mk I (A) Sports Tourer (G09) (2008-07 » 2017-05), MERIVA Mk II (B) (S10) (2010-06 » 2017-03), MOKKA / MOKKA X (J13) (2012-06 » ), ZAFIRA Mk III (P12) (2011-10 » 2018-08)