Witaj! Panel klienta

0986477292BOSCH

bęben hamulcowy
BĘBEN HAMULC. NISSAN MICRA IV 10-20
Parametry:
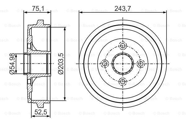
  • Strona zabudowy : Oś tylna
  • Średnica wewnętrzna bębna hamulca [mm] : 203,2
  • Średnica zewnętrzna bębna hamulca [mm] : 243,7
  • Wewnętrzna wysokość bębna hamulca [mm] : 52
  • Całkowita wysokość bębna hamulca [mm] : 75,1
  • Ø rozmieszczenia otworów [mm] : 100
  • Liczba otworów : 4
  • Średnica otworu centrującego [mm] : 54,98
( brutto)
SKU 0986477292
Producent

Kłodnica
Towar dostępny od ręki
0
Magazyn 1.
Pn-Pt zamówienia do 10:55 - dostawa 3 trasa Zamówienia do 17:55 dostawa 1 trasa rano
0
Magazyn 2.
Zamówienia do 17:55 dostawa 1 trasa rano
0
Magazyn 3.
Zamówienia do 17:55 dostawa 1 trasa rano
0
NISSAN: 432061HA0A
APEC: DRM9994
ATE: 24 0220 3042 1
BREMBO: 14E96910
DELPHI: BF574
HERTH+BUSS JAKOPARTS: N3401038
LPR: 7D0705
MINTEX: BDM1139, MBD386
NK: 252224
OPTIMAL GERMANY: BT2300
SBS: 1825252224
TEXTAR: 94043200
VALEO: 237062
NISSAN: MICRA IV (K13K, K13KK) (2010-05 » ), VERSA II (N17_) (2011-08 » )