Witaj! Panel klienta

800-1734CCIFAM

tarcza hamulcowa
TARCZA HAMULC. AUDI 100 QUATTRO 84-91 TYŁ
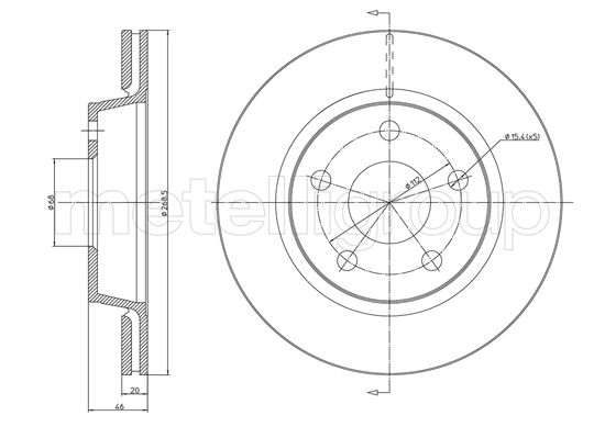
Parametry:
  • Oznaczenie kontrolne : ECE-R90
  • Wysokość [mm] : 68,0
  • Typ tarczy hamulcowej : wentylowany
  • Grubość tarczy hamulcowej [mm] : 20,0
  • średnica zewnętrzna [mm] : 269,0
  • Liczba otworów : 5
  • Średnica otworu centrującego [mm] : 46,5
  • Powierzchnia : lakierowany
( brutto)
SKU 800-1734C
Producent

Kłodnica
Towar dostępny od ręki
0
Magazyn 1.
Pn-Pt zamówienia do 10:55 - dostawa 3 trasa Zamówienia do 17:55 dostawa 1 trasa rano
0
A.B.S.: 15937
APEC: DSK616
ATE: 24.0120-0137.1, 420137
BENDIX: 520674, 561472B
BOSCH: 0 986 478 316
CAR: 142766
DELPHI: BG2519
FEBI BILSTEIN: 11397
FERODO: DDF519, DDF519-1
FRI.TECH.: BD0720
FTE: BS3634, BS3634B
INTERBRAKE: AD571V
JURID: 520674, 561472J
LPR: A1596V
METELLI: 23-1734C
MEYLE: 1155231013
MINTEX: MDC570
NK: 204769, 314769
OPEN PARTS: BDR1029.20
OPTIMAL: BS-3560C
PILENGA: V367
QUINTON HAZELL: BDC3634
REMSA: BDM6356.10
ROADHOUSE: 6356.10
SBS: 1815204769, 1815314769
SWAG: 30911397
TEXTAR: 92037100
TRUSTING: DF720
TRW: DF2750
VAICO: V10-80065
VEMA: 98179
WOKING: D6356.10
ZIMMERMANN: 100121100, 100121120
AUDI: 100 C3 Avant (445, 446) (1982-08 » 1990-11), 100 C3 sedan (443, 444) (1982-08 » 1991-07), 200 C3 Avant (447, 448) (1983-09 » 1991-12), 200 C3 sedan (447, 448) (1983-06 » 1991-12), A8 D2 (4D2, 4D8) (1994-03 » 2005-12)