Witaj! Panel klienta

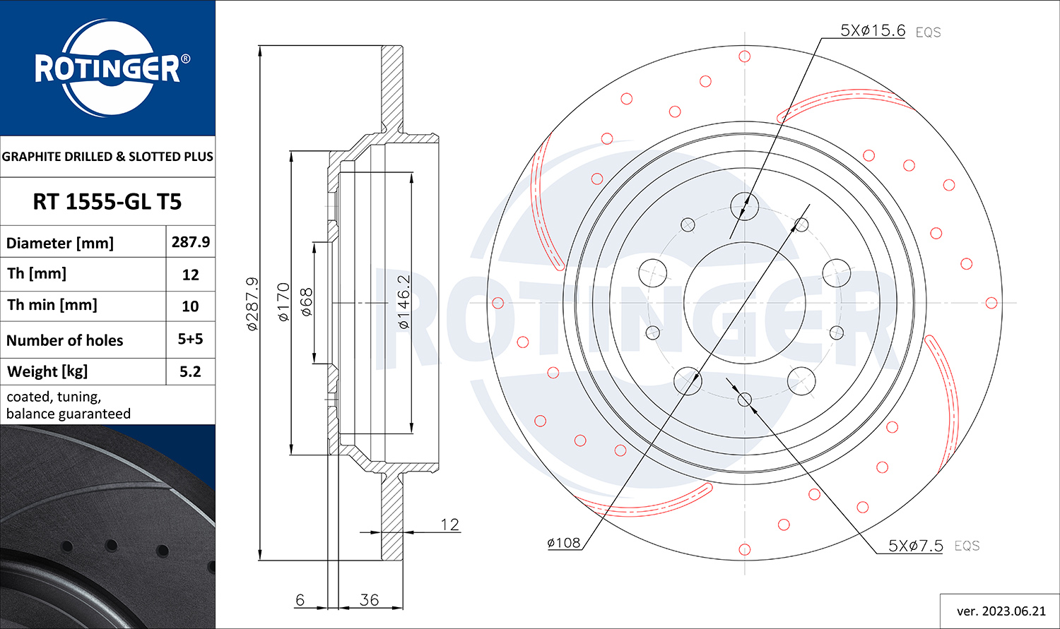
RT 1555-GL T5ROTINGER

tarcza hamulcowa
TARCZA HAMULCOWA VOLVO V70 [288X62]
Parametry:
  • Typ tarczy hamulcowej : pełny
  • Typ tarczy hamulcowej : perforowany
  • Powierzchnia : pokrywany galwanicznie
  • Strona zabudowy : Oś tylna
  • średnica zewnętrzna [mm] : 288
  • Średnica wewnętrzna [mm] : 178
  • Średnica otworu centrującego [mm] : 68
  • Wysokość [mm] : 62
  • Grubość tarczy hamulcowej [mm] : 12
  • Minimalna grubość [mm] : 10
  • Liczba otworów : 5
  • Wymiar gwintu : 16
  • Ciężar [kg] : 5,2
  • Ø rozmieszczenia otworów [mm] : 108
( brutto)
SKU RT 1555-GL T5
Producent

Kłodnica
Towar dostępny od ręki
0
VOLVO: S70 (874) (1996-11 » 2000-11), V70 I (875, 876) (1995-12 » 2000-12), XC70 I Cross Country (295) (1997-10 » 2007-10)