Witaj! Panel klienta

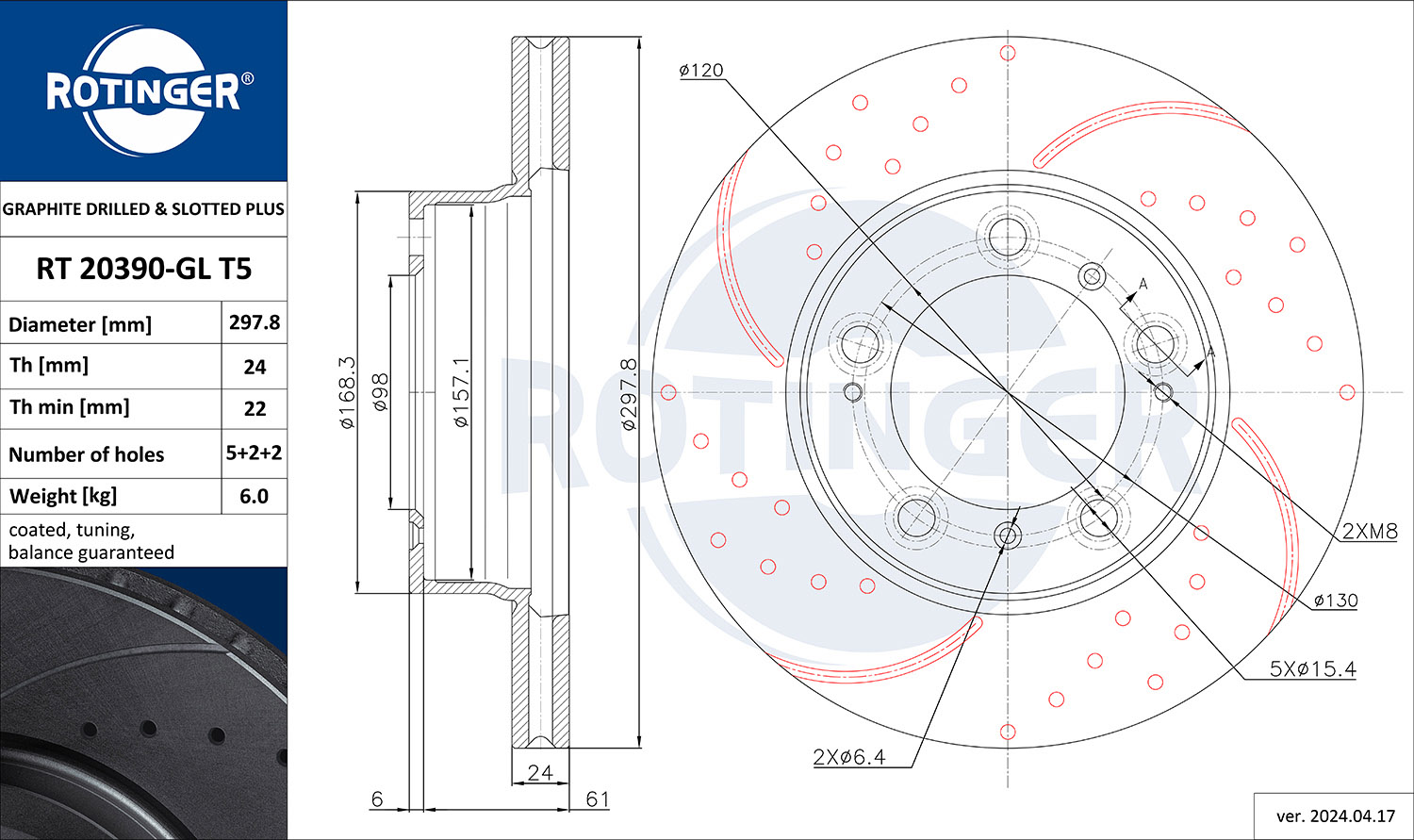
RT 20390-GL T5ROTINGER

tarcza hamulcowa
TARCZA HAMULCOWA PORSCHE BOXTER [298X67]
Parametry:
  • Typ tarczy hamulcowej : perforowany
  • Typ tarczy hamulcowej : wentylowany
  • Powierzchnia : pokrywany galwanicznie
  • Strona zabudowy : Oś przednia
  • średnica zewnętrzna [mm] : 298
  • Średnica wewnętrzna [mm] : 164
  • Średnica otworu centrującego [mm] : 98
  • Wysokość [mm] : 67
  • Grubość tarczy hamulcowej [mm] : 24
  • Minimalna grubość [mm] : 22
  • Liczba otworów : 5
  • Wymiar gwintu : 15,4
  • Liczba otworów 1 : 2
  • rozstaw otworów 1 [mm] : 120
  • Ciężar [kg] : 6
  • Ø rozmieszczenia otworów [mm] : 130
( brutto)
SKU RT 20390-GL T5
Producent

Kłodnica
Towar dostępny od ręki
0