Witaj! Panel klienta

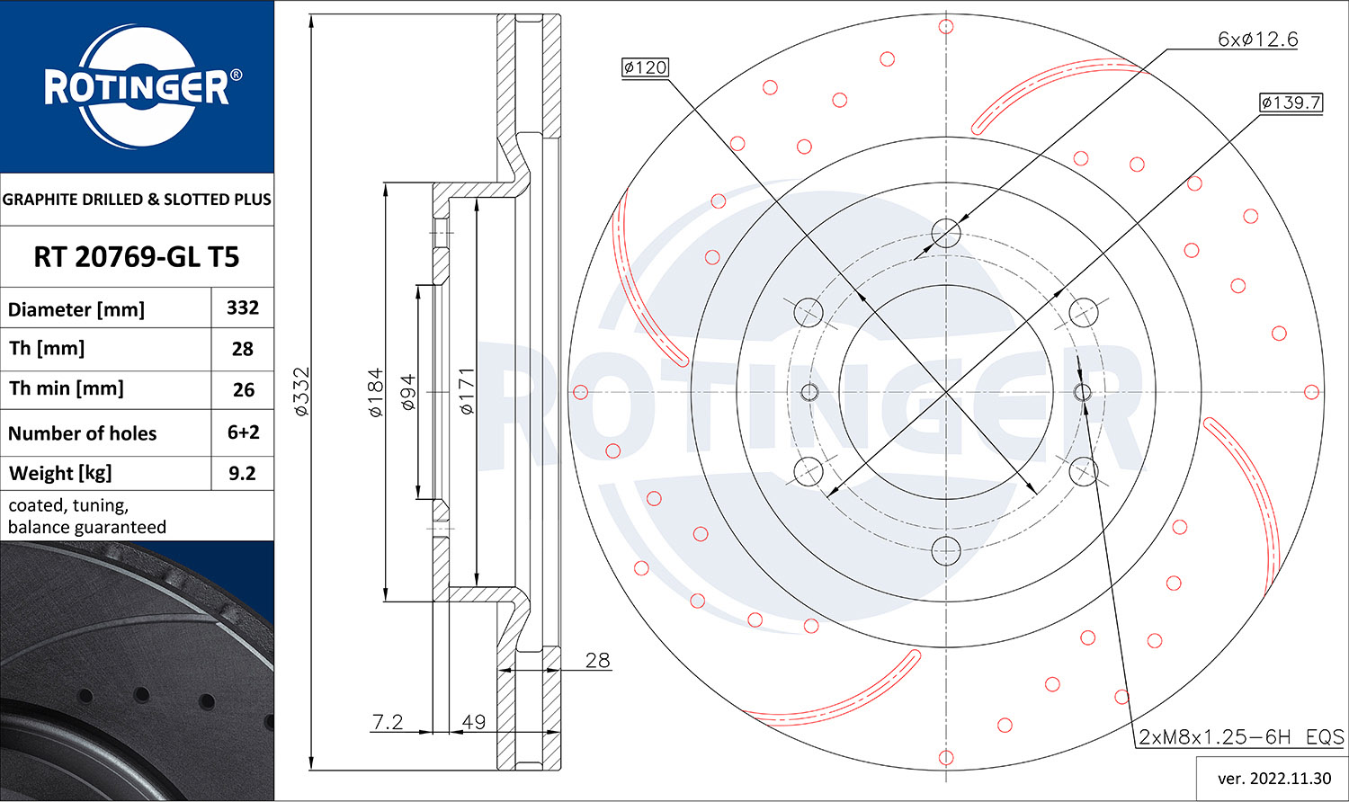
RT 20769-GL T5ROTINGER

tarcza hamulcowa
TARCZA HAMULCOWA MITSUBISHI PAJERO IV [332X56]
Parametry:
  • Typ tarczy hamulcowej : wentylowany
  • Typ tarczy hamulcowej : perforowany
  • Powierzchnia : pokrywany galwanicznie
  • Strona zabudowy : Oś przednia
  • średnica zewnętrzna [mm] : 332
  • Średnica wewnętrzna [mm] : 171
  • Średnica otworu centrującego [mm] : 94
  • Wysokość [mm] : 56,2
  • Grubość tarczy hamulcowej [mm] : 28
  • Minimalna grubość [mm] : 26
  • Liczba otworów : 6
  • Wymiar gwintu : 12,5
  • Ciężar [kg] : 9,2
  • Ø rozmieszczenia otworów [mm] : 139,7
( brutto)
SKU RT 20769-GL T5
Producent

Kłodnica
Towar dostępny od ręki
0
MITSUBISHI: 4615A038
MITSUBISHI (GAC): 4615A038
A.B.S.: 09B63611, 17963
A.P.: 25375, 25375 V
ADVICS: D6F509B
AKEBONO: BN-0761, BN-0761E
AKRON-MALO: 1110357
AP: 25375, 25375 V
APEC: DSK2668
ASHUKI BY PALIDIUM: C652-35
ATE: 24 0128 0215 1
BENDIX: BDS1740
BLUE PRINT: ADC443114
BORG & BECK: BBD4754
BOSCH: 0986479782, 0 986 T15 265, F 026 A06 838
BRAKE ENGINEERING: DI956846
BRECO: BS 8985, BV 8985
BREMBO: 09B63610, 09B63611
CAR: 142.1485
DBA AUSTRALIA: DBA2216
DELPHI: BG4228
DON: PCD12642
FEBI BILSTEIN: 170599
FERODO: DDF1757, DDF1757-1, DDF1757C
FIRST LINE: FBD 1844
FRI.TECH.: DF1246
FTE: 9071133, BS7237
HELLA: 8DD 355 114-581, 8DD 355 119-081
HELLA PAGID: 8DD 355 114-581, 8DD 355 119-081
HERTH+BUSS JAKOPARTS: J3305064
HI-Q: SD4324
ICER: 78BD7113-2
JAPANPARTS: DI-536
JURID: 562913JC
KAWE: 61100 10
LPR: M1017V
MAGNETI MARELLI: 600000088920
METELLI: 23-1662C
MEYLE: 32155210018, 32-15 521 0018/PD, 32155210027PD
MGA: D1904
MINTEX: MDC2039
NIPPARTS: N3305067
NK: 203055, 313055
OPEN PARTS: BDR2406.20
OPTIMAL: BS-8606, BS-8606HC
PAGID: 54672
PILENGA: V637
QUINTON HAZELL: BDC5901, MBD5901
RAICAM: RD00370
REMSA: 6110010
ROADHOUSE: 6110010
ROTINGER: RT 20769-GL, RT 20769-GL T1, RT 20769-GL T2, RT 20769-GL T3, RT 20769-GL T4, RT 20769-GL T5, RT 20769-GL T6, RT 20769-GL T7, RT 20769-GL T9, RT 20769 T1, RT 20769 T2, RT 20769 T3, RT 20769 T4, RT 20769 T5, RT 20769 T6, RT 20769 T7, RT 20769 T9
ROULUNDS RUBBER: WD01530
SBS: 1815203055, 1815313055
ST-TEMPLIN: 0311019970, 0311019975
TEXTAR: 92167200, 92167203, 98200 1672 0 1
TRISCAN: 812042148
TRW: DF4943S
VAICO: V37-80003
VALEO: 197301
WOKING: D61100.10
ZIMMERMANN: 380211620, 380211652, 380211654, 380211655
MITSUBISHI: PAJERO CLASSIC (V2_W, V6_W, V7_W) (2001-07 » ), PAJERO IV (V8_W, V9_W) (2006-10 » ), PAJERO IV Van (V9_, V8_, V8_V) (2006-11 » )