Witaj! Panel klienta

24.0220-3009.2ATE

bęben hamulcowy
BĘBEN HAMULCOWY FORD ESCORT 95-99
Parametry:
  • Artykuł uzupełniający / informacja uzupełniająca 2 : bez łożyska koła
  • Artykuł uzupełniający / informacja uzupełniająca 2 : bez pierścienia nadajnika impulsów ABS
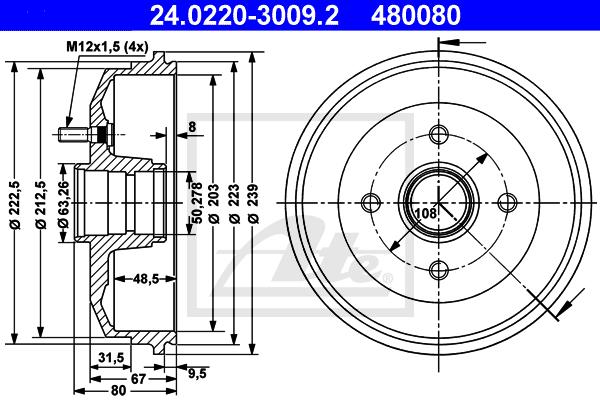
  • Średnica wewnętrzna bębna hamulca [mm] : 203,0
  • maks. wielkość poślizgu bębna [mm] : 204,3
  • Wewnętrzna wysokość bębna hamulca [mm] : 48,5
  • Liczba otworów : 4
  • Średnica mocowania [mm] : 50,3
  • Ø rozmieszczenia otworów [mm] : 108,0
  • Artykuł uzupełniający / informacja uzupełniająca 2 : ze sworzniem mocującym koła
  • Wymiar gwintu : M12x1,5
  • Całkowita wysokość bębna hamulca [mm] : 80,0
  • Średnica zewnętrzna bębna hamulca [mm] : 239,0
  • Dostępne MAPP-Code :
( brutto)
SKU 24.0220-3009.2
Producent

Kłodnica
Towar dostępny od ręki
0
Magazyn 1.
Pn-Pt zamówienia do 10:55 - dostawa 3 trasa Zamówienia do 17:55 dostawa 1 trasa rano
0
Magazyn 2.
Zamówienia do 17:55 dostawa 1 trasa rano
0
Magazyn 3.
Zamówienia do 17:55 dostawa 1 trasa rano
0
BENDIX: 329717B
BREMBO: 14.7247.10, 14.7247.50
CIFAM: 700-290, 700-290K
DELPHI: BF382, BF468
FTE: BT1016
HELLA: 8DT 355 301-361
HELLA PAGID: 8DT 355 301-361
JURID: 329717J
METELLI: 18-0290, 18-0290K
MGA: T7545, TR7545
MINTEX: MBD052
NK: 252531
OMC: 100891, 100935
PAGID: 62912
PEX: 15.0157
QUINTON HAZELL: BDR394, BTF394
TEXTAR: 94019000, 98100 0190 0 1
TRW: DB4277, DB4277B, DB4305
VALEO: 237070
FORD: ESCORT CLASSIC (AAL, ABL) (1998-10 » 2000-07), ESCORT CLASSIC Turnier (ANL) (1999-02 » 2000-07), ESCORT VI (GAL, AAL, ABL) (1995-01 » 2002-10), ESCORT VI Furgon/kombi (AVL) (1995-01 » 2001-06), ESCORT VI kabriolet (ALL) (1994-03 » 2000-08), ESCORT VI sedan (GAL, AFL) (1995-01 » 2002-08), ESCORT VI Turnier (GAL, ANL) (1995-01 » 2002-10), FIESTA Furgon/minivan (J5_, J3_) (1996-02 » ), FIESTA IV (JA_, JB_) (1995-08 » 2006-06), KA (RB_) (1996-09 » 2008-11), PUMA (EC_) (1997-03 » 2002-06), STREET KA (RL2) (2003-03 » 2005-07)
MAZDA: 121 III (JASM, JBSM) (1996-03 » 2003-04)