HYUNDAI (BEIJING): 3730042014,
37300-42017,
3730042017R,
3730042112,
37300-42114,
3730042116,
37300-42203,
37300-42204,
37300-42206,
37300-42303,
3730042802,
37300-42804,
3730042C13,
37300-42Q00,
37300-42Q10
AS-PL: 20193101BN,
20193101OE,
2032101.0,
2032101.1,
311798,
401366RI,
401366RIV,
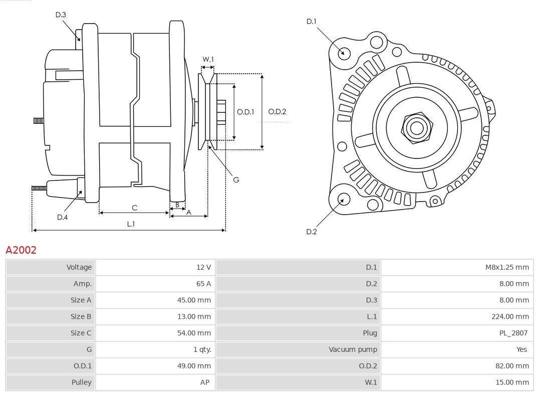
A2002,
ALT35006,
ALT6470,
ALT6470A,
ALT8736,
ALTS057,
ALTS057G,
ALTS057V,
ANM36068X,
CGB-13436,
PRAS057,
PRAS057G,
PRAS057V,
STX100201,
STX100458,
STX100458R,
STX101794,
STX102077BV PSH: 155.807.070.130,
155.807.070.208,
A130.249CASCO: CAL32101AS,
CAL32101GSDELCO REMY: DRA3848,
DRA3848NEAI: 56147ELSTOCK: 28-2554ERA: 210255FRIESEN: 9090689HCC: HAD165520HC-CARGO: 111929,
F032111929HC-PARTS: JA1366IRHELLA: 8EL737556-001LAUBER: 11.1366,
11.1366MLUCAS: LRA01499,
LRA1499MANDO: AD165202,
AD165320,
AD165320Q,
AD165321,
AD165321QPOWERMAX: 89213339VALEO: 437148,
437848,
BM51267ARWAI: 12642R
HYUNDAI: H100 Autobus (P) (1993-07 » 2004-10), H100 Furgon (1993-07 » 2007-02), H100 Platforma / podwozie (1993-07 » 2006-10)
MITSUBISHI: GALANT IV (A16_) (1980-09 » 1984-05), L200 (K3_T, K2_T, K1_T, K0_T) (1983-01 » 1999-06)