Witaj! Panel klienta

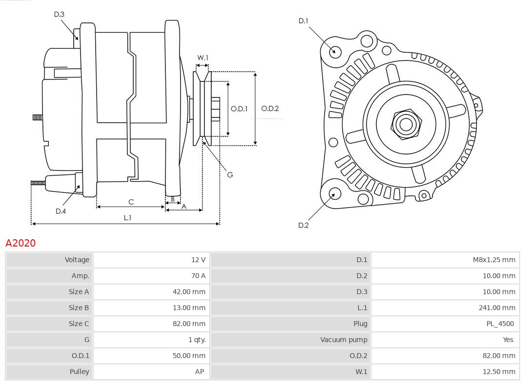
A2020AS-PL

alternator
ALTERNATOR AS-PL
Parametry:
  • Napięcie [V] : 12
  • Prąd ładowania alternatora [A] : 70
  • Koła pasowe : z kołem pasowym
  • Jakość : STANDARD LINE
  • Nowa część bez depozytu :
( brutto)
SKU A2020
Producent

Kłodnica
Towar dostępny od ręki
0
Magazyn 1.
Pn-Pt zamówienia do 10:55 - dostawa 3 trasa Zamówienia do 17:55 dostawa 1 trasa rano
0
Magazyn 2.
Zamówienia do 17:55 dostawa 1 trasa rano
0
Magazyn 3.
Zamówienia do 17:55 dostawa 1 trasa rano
0
AS-PL: 002-U900, 20145711BN, 2020117, 2U900, 40673RI, 445722, 9350, A2020, ALT3130, ALT32177, ALT5440, ALTS968, ALU900, ANM35495X, CGB-13275, PRAS968, STX101156
AUTOELECTRO: AEA9139
BOM-PRESTOLITE: 20100939
BOSCH: 0986037811
CASCO: CAL20117AS
DELCO REMY: DRA3275
EAI: 56186, 56287
ELSTOCK: 28-1589
ERA: 210288
FRIESEN: 9090003
HC-CARGO: 111187, F032111187
HC-PARTS: JA673IR
HELLA: 8EL726388-001
LAUBER: 11.0673, 11.0673M
LUCAS: LRA00939, LRA939
POWERMAX: 89213118
VALEO: 436724
WAI: 20819N, SA631
ISUZU: GEMINI (JT) (1984-10 » 1990-12), GEMINI sedan (JT) (1984-09 » 1990-06), MIDI Autobus (94000, 98000) (1988-06 » 1996-07), MIDI Furgon (94000, 98000) (1988-06 » 1998-11), MIDI Furgon (98000N) (1988-06 » 1996-07)
OPEL: CORSA A Furgon/hatchback (S83) (1986-02 » 1994-09), CORSA A liftback (S83) (1982-09 » 1993-03), CORSA A TR (S83) (1982-09 » 1993-03)