Symbol |
Nazwa |
Ilość |
AS2020S |
stator, alternator |
1 |
ARS2023 |
zestaw naprawczy, alternator |
1 |
HITACHI: LR155407,
LR155414,
LR160-412,
LR160-412B,
LR160-412F,
LR160-440,
LR160-440F,
LR160-441,
LR160-441F,
LR160-449,
LR160-450HYUNDAI (BEIJING): 0K740-18300GMAZDA: R213-18-300,
R213-18-300B,
R213-18-300C,
R282-18-300,
R286-18-300,
R286-18-300B,
RFB318300
AS-PL: 002-M924,
20145551BN,
2020155,
2M924,
40180RI,
445229,
9175,
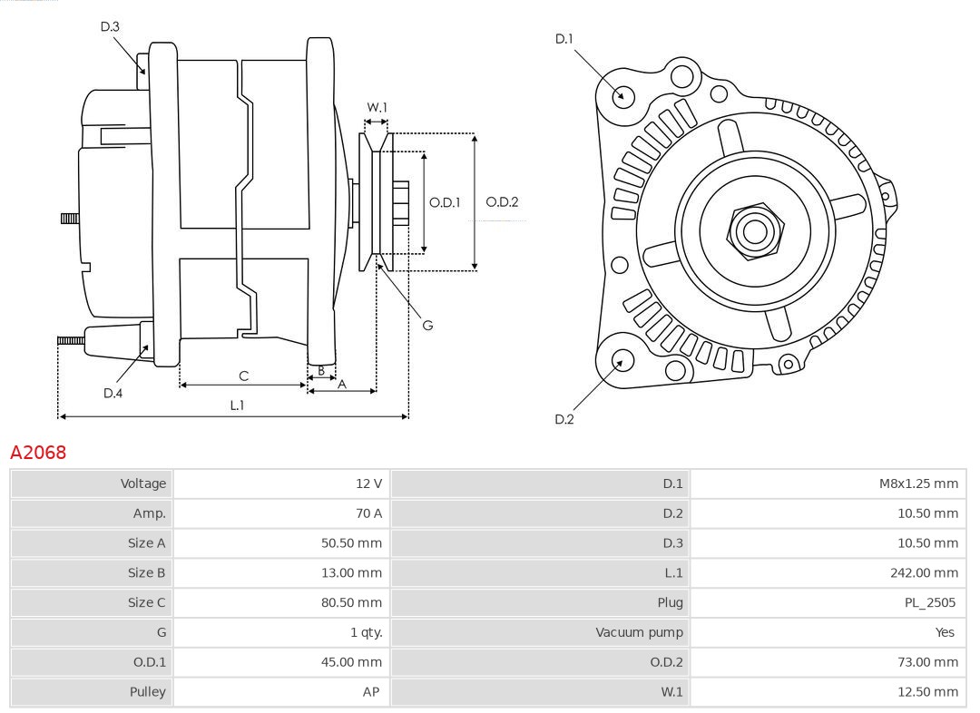
A2068,
ALM924,
ALT32045,
ALT5020,
ALTL397,
ALTL397RR,
ALTL397V,
ANM35646X,
CGB-14199,
PRAL397,
PRAL397V,
STX100946,
STX101096,
STX102092,
UD12313AAUTOELECTRO: AEA3213BV PSH: 145.802.060,
145.802.060.461CASCO: CAL20155ASDELCO REMY: DRA3426EAI: 56149ELSTOCK: 28-0830HC-CARGO: 110706,
F032110706HC-PARTS: JA180IRHELLA: 8EL726325-001LAUBER: 11.0180,
11.5180LUCAS: LRB00313,
LRB313POWERMAX: 89212999,
9212999WAI: 22254N,
22254R,
SA993
FORD: ECONOVAN (KBA, KCA) (1986-03 » 1992-03), ECONOVAN Furgon (KAA) (1985-05 » 1992-03)
MAZDA: E Autobus (SR1) (1984-01 » 2004-07), E Furgon (SR2) (1983-10 » 2004-07), E Platforma / podwozie (SD1) (1983-01 » 1999-07), E Platforma / podwozie (SD1, SL) (1999-08 » 2006-02)
MERCEDES-BENZ: KLASA E (W124) (1993-02 » 1996-06)