Witaj! Panel klienta

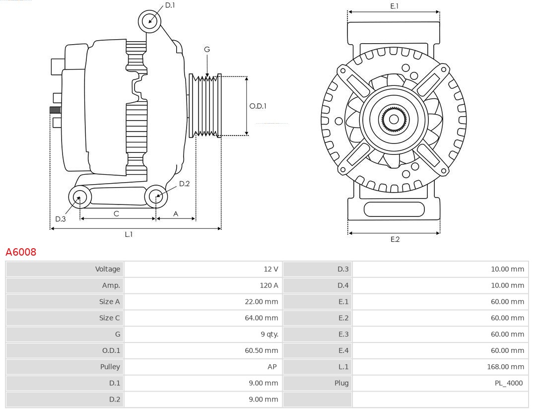
A6008AS-PL

alternator
ALTERNATOR AS-PL
Parametry:
  • Napięcie [V] : 12
  • Prąd ładowania alternatora [A] : 120
  • Koła pasowe : z kołem pasowym
  • Wersja : 1042105470
  • Jakość : STANDARD LINE
  • Nowa część bez depozytu :
( brutto)
SKU A6008
Producent

Kłodnica
Towar dostępny od ręki
0
Magazyn 1.
Pn-Pt zamówienia do 10:55 - dostawa 3 trasa Zamówienia do 17:55 dostawa 1 trasa rano
0
Magazyn 2.
Zamówienia do 17:55 dostawa 1 trasa rano
0
Magazyn 3.
Zamówienia do 17:55 dostawa 1 trasa rano
0
Symbol Nazwa Ilość
ABH6006  mocowanie, szczotki węglowe 
ABH6004  mocowanie, szczotki węglowe 
ABH6004S  mocowanie, szczotki węglowe 
AS6024  stator, alternator 
ARE6090  regulator napięcia 
AP6084S  koło pasowe, alternator 
TOYOTA: 27060-51010
TOYOTA: LAND CRUISER 200 (_J2_) (2007-08 » )