CHRYSLER: 04801624AD,
4801624AD,
68272108AA,
68272108AB,
68272108AD,
P04801624AD,
RL801624ADFIAT: K04801624AD,
K04801624AE,
K68272108AA,
K68272108AB,
K68272108AC,
K68272108AD,
KRL801624ADVW: 7B0903015,
7B0-903-015C,
7B0903015CX,
7B0-903-015-CXRMN,
7B0998015A,
7B0998015C,
CXRMN
AS-PL: 10444068,
12061103,
13201191,
20132015BN,
2040510.0,
290-10615,
3118499,
447085,
5340721602,
5540824,
554639RI,
A12DE0540A2,
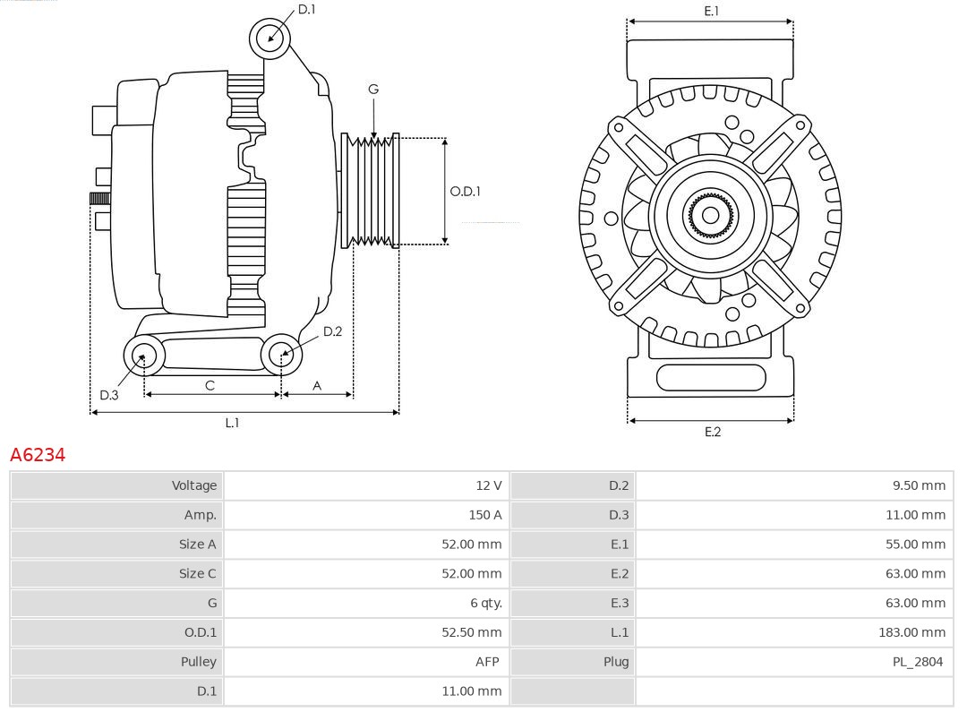
A6234,
A-80504,
ADN510A,
AL00381,
ALN7770,
ALT6783,
RNL4210000770,
STX110301,
STX110301R,
STX110362,
STX110362R,
UD11388ABOSCH: 0986CR6059,
0986UR6059,
AL6482XBV PSH: 495.506.150.050,
495.506.150.058,
A132.984CASCO: CAL40510ASDELCO REMY: DRA1279DENSO: 421000-0770,
421000-0771,
TN4210000770ELSTOCK: 27-7864FARCOM: 114657HC-CARGO: 116599,
F032116599LUCAS: LRA04255,
LRA4255POWERMAX: 89216404WAI: 11570N,
11570R
CHRYSLER: 200 kabriolet (2010-01 » ), GRAND VOYAGER V (RT) (2007-10 » )
DODGE: GRAND CARAVAN (2007-06 » ), JOURNEY (2008-06 » ), JOURNEY VAN (JC) (2008-06 » )
FIAT: FREEMONT (345_) (2011-08 » )
LANCIA: VOYAGER nadwozie wielkoprzestrzenne (MPV) (404_) (2011-09 » 2014-12)
VW: ROUTAN (2008-09 » 2014-12)