Witaj! Panel klienta

S0313AS-PL

rozrusznik
ROZRUSZNIK AS-PL
Parametry:
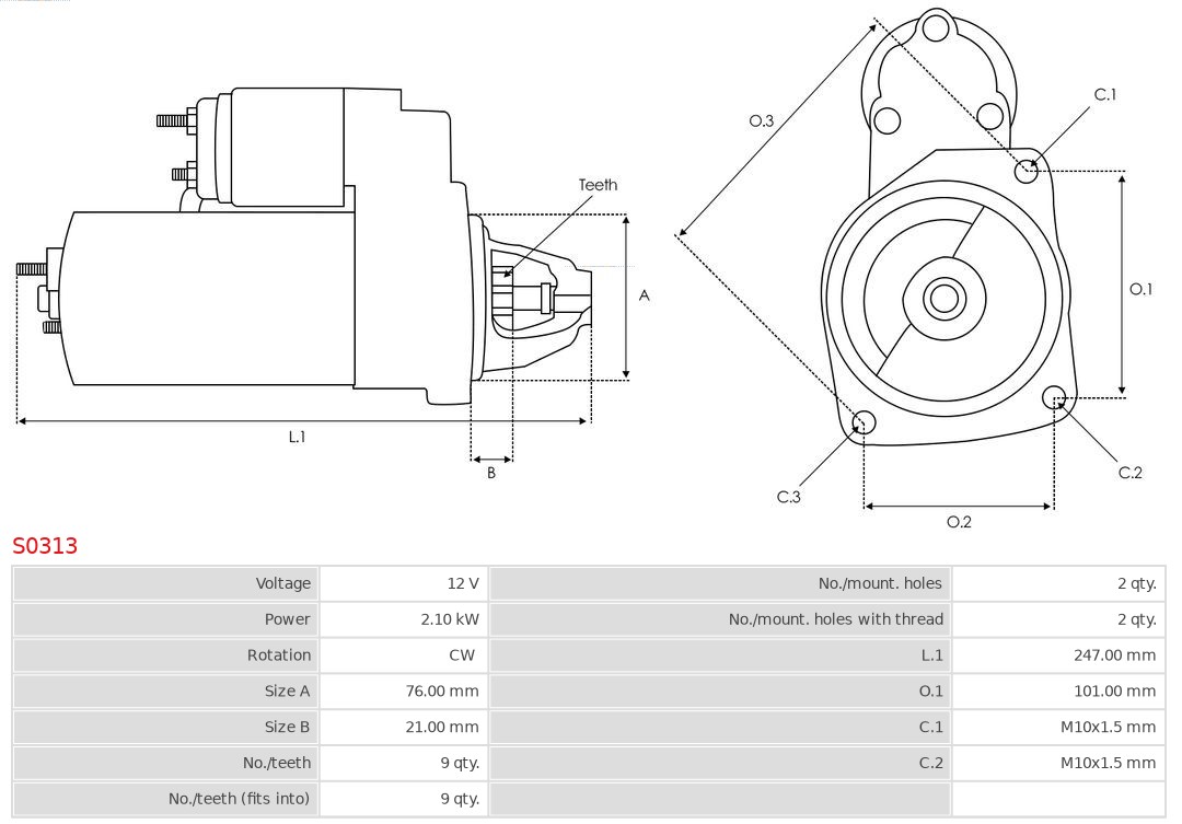
  • Moc znamionowa [kW] : 2,1
  • Napięcie [V] : 12
  • Liczba otworów do mocowania : 2
  • Kierunek obrotów : zgodnie z ruchem wskazówek zegara
  • Liczba zębów : 9
  • Wersja : 0001109203
  • Jakość : STANDARD LINE
  • Nowa część bez depozytu :
( brutto)
SKU S0313
Producent

Kłodnica
Towar dostępny od ręki
0
Magazyn 1.
Pn-Pt zamówienia do 10:55 - dostawa 3 trasa Zamówienia do 17:55 dostawa 1 trasa rano
0
Magazyn 2.
Zamówienia do 17:55 dostawa 1 trasa rano
0
Magazyn 3.
Zamówienia do 17:55 dostawa 1 trasa rano
0
Symbol Nazwa Ilość
SA0061  twornik, rozrusznik 
SBH0025  mocowanie, szczotki węglowe 
SBH0025(BOSCH)  mocowanie, szczotki węglowe 
SBU9008  tuleja, wał rozrusznika 
SBU9016  tuleja, wał rozrusznika 
SD0134  sprzęgło jednokierunkowe, rozrusznik 
SF0017  uzwojenie wzbudzające, rozrusznik 
SP0007  zestaw naprawczy, alternator 
SP0052  zestaw naprawczy, alternator 
SP0052(BULK)  zestaw naprawczy, alternator 
ARS4010  zestaw naprawczy, alternator 
SG0054  zestaw naprawczy, rozrusznik 
SG0015  zestaw naprawczy, rozrusznik 
SRS0082  zestaw naprawczy, alternator 
SRS0082(BULK)  zestaw naprawczy, alternator 
SBU9117  tuleja, wał rozrusznika 
SBR0077  pokrywa rozrusznika, gaźnika 
ARS9057S(BULK)  zestaw naprawczy, alternator 
ARS9057S  zestaw naprawczy, alternator 
SBR0087S  pokrywa rozrusznika, gaźnika 
SF0052S  uzwojenie wzbudzające, rozrusznik 
SA0049  twornik, rozrusznik 
SA0049(BOSCH)  twornik, rozrusznik 
SBR0136S  pokrywa rozrusznika, gaźnika 
SRS0178S  zestaw naprawczy, alternator 
SBU9008(BULK)  tuleja, wał rozrusznika 
SBU9016(BULK)  tuleja, wał rozrusznika 
SBU9117(BULK)  tuleja, wał rozrusznika 
SRS0178S(BULK)  zestaw naprawczy, alternator 
ZS0001  tuleja, wał rozrusznika 
SL0001  dźwignia rozrusznika, gaźnik 
SL0007  dźwignia rozrusznika, gaźnik 
SL0001PR  dźwignia rozrusznika, gaźnik 
SA0068  twornik, rozrusznik 
SA0109  twornik, rozrusznik 
BSX208-209  szczotka węglowa, rozrusznik 
SD0324S  sprzęgło jednokierunkowe, rozrusznik 
SRS0052  zestaw naprawczy, rozrusznik 
SRS6040  zestaw naprawczy, rozrusznik 
SRS6039  zestaw naprawczy, rozrusznik 
SRS0123  zestaw naprawczy, alternator 
SRS0042  zestaw naprawczy, alternator 
SRS0066  zestaw naprawczy, rozrusznik 
SRS0115  zestaw naprawczy, alternator 
SBR0077PR  pokrywa rozrusznika, gaźnika 
BMW: 7 (E65, E66, E67) (2001-07 » 2009-12)