| Symbol |
Nazwa |
Ilość |
| SD0352S |
sprzęgło jednokierunkowe, rozrusznik |
1 |
| SBH0060 |
mocowanie, szczotki węglowe |
1 |
| BSX228 |
szczotka węglowa, rozrusznik |
1 |
| SF0075S |
uzwojenie wzbudzające, rozrusznik |
1 |
| SA0131S |
twornik, rozrusznik |
1 |
| SBR0077 |
pokrywa rozrusznika, gaźnika |
1 |
| SRS0141 |
zestaw naprawczy, alternator |
1 |
| SP0052 |
zestaw naprawczy, alternator |
1 |
| SRS0115 |
zestaw naprawczy, alternator |
1 |
| SRS0123 |
zestaw naprawczy, alternator |
1 |
| SRS3032 |
zestaw naprawczy, rozrusznik |
1 |
| SRS0042 |
zestaw naprawczy, alternator |
1 |
| SRS5018 |
zestaw naprawczy, rozrusznik |
1 |
| SBR0239S |
pokrywa rozrusznika, gaźnika |
1 |
| SBR0071 |
pokrywa rozrusznika, gaźnika |
1 |
| SS0169(BOSCH) |
włącznik elektromagnetyczny rozrusznika |
1 |
| SS0169 |
włącznik elektromagnetyczny rozrusznika |
1 |
| SBH0145S |
mocowanie, szczotki węglowe |
1 |
| SD0352P |
sprzęgło jednokierunkowe, rozrusznik |
1 |
| SBR0077PR |
pokrywa rozrusznika, gaźnika |
1 |
AS-PL: 10010069OV,
10010459OV,
20401954BN,
20401954OE,
20401960OE,
256011,
256011S,
318234112,
3338,
4799069,
5010185G,
6010069.1,
6010459.0,
6010459.1,
ANM100126,
BOS0001139005,
BREF0320986027000,
BREF032116370,
IR1260,
MAV120690,
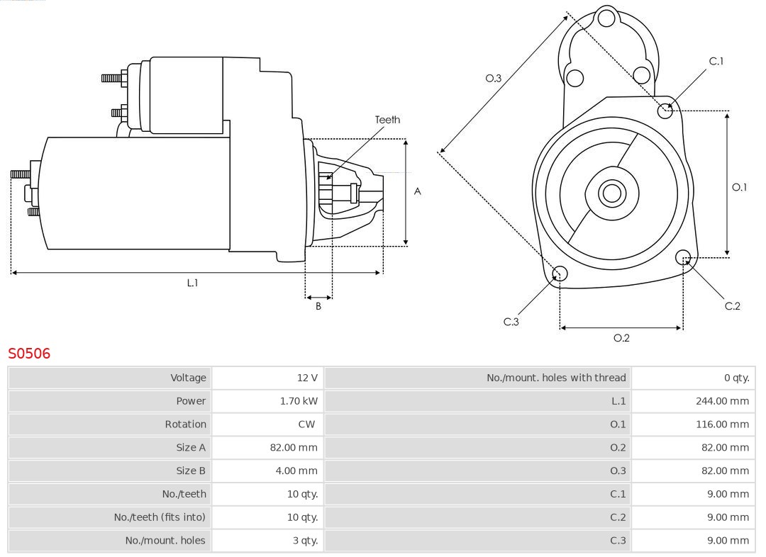
S0506,
S100505,
S101301,
S12BH0184,
S12BH0184A2,
SEG0001139005,
ST02229,
STR50639,
UD14879S,
UD30030S,
WOOSTR50639BOM-PRESTOLITE: S1360BBOSCH: 0001139005,
0001139006,
0001148039,
0001148040,
0986027000,
1986S00839BV PSH: 500.570.103.010,
500.570.103.280,
500.570.103.461,
500.587.113.010,
500.587.113.210,
500.587.113.280,
S132.999,
S143.752,
S144.668,
S144.783CASCO: CST10069GS,
CST10459AS,
CST10459GSDELCO REMY: DRS0783,
DRS1077ELSTOCK: 25-5275HC-CARGO: 116370,
F032116370HELLA: 8EA011612-861,
8EA011612-991HERTH+BUSS ELPARTS: 42007002LUCAS: LRS04112,
LRS4112MAGNETI MARELLI: 063725717010POWERMAX: 88215039VALEO: 438539,
458978
ALFA ROMEO: GIULIETTA (940_) (2010-04 » 2020-12), GIULIETTA Furgon/hatchback (940_) (2011-04 » 2020-12)
FIAT: 500X (334_) (2014-09 » ), DOBLO Autobus (263_) (2009-11 » 2023-12), DOBLO Cargo (263_) (2010-02 » ), DOBLO Platforma / podwozie (263_) (2010-02 » 2023-12), DUCATO Autobus (250_) (2006-07 » ), DUCATO Furgon (250_) (2006-07 » ), DUCATO Platforma / podwozie (250_) (2006-07 » )
JEEP: RENEGADE SUV (BU, B1, BV) (2014-07 » )