CHEVROLET: 96450663,
96840345,
96843579,
96952007DAEWOO: 96430345GENERAL MOTORS: 90371766,
90512189OPEL: 09119798,
09512270,
1202029,
1202140,
1202145,
1202158,
1202159,
24422272,
4805518,
55351638,
6202008,
6202053,
6202066,
9000961,
90371765,
90371766,
90449689,
90451825,
90487345,
90508037,
90512189,
90518627,
9119794,
9200961,
92064181,
93175888,
93175906,
93176061,
9512770,
96473779,
96627035,
R1040000,
R1540014
AS-PL: 10519,
10519H,
10519V,
10727,
10879,
20460201BN,
20460201OE,
20460201RE,
6046102.0,
6046102.1,
6046102.4,
9647377,
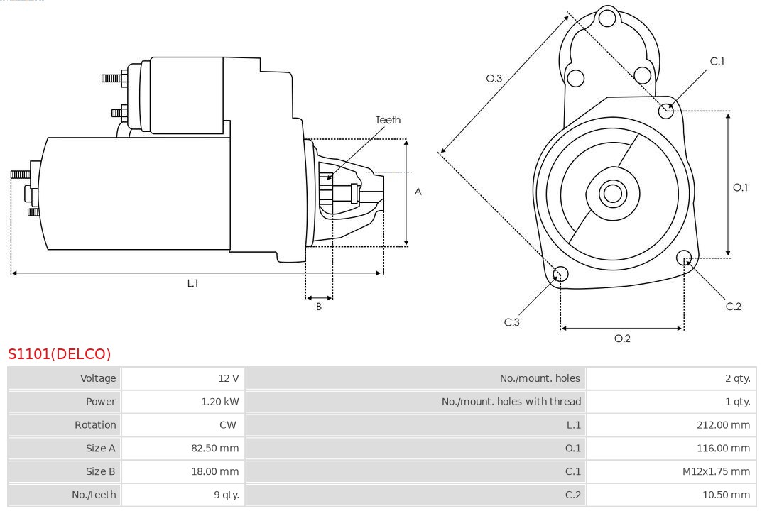
S1101(DELCO),
S12BH0202A2,
STX200092,
STX200092RBOM-PRESTOLITE: 20510107,
20510121,
20513050,
35258790BOSCH: 0001107034,
0001107045,
0001107056,
0001107100,
0001107101,
0001107108,
0986016883,
0986017923,
0986019853,
B001110097CASCO: CST46102AS,
CST46102GS,
CST46102OSDELCO REMY: 9000794,
9000795,
96208783,
96208785,
96473777,
96843582ERA: 220119,
220434HC-CARGO: 111848,
F032111848HC-PARTS: CS879POWERMAX: 8212596VALEO: D6RA92
CHEVROLET: CAPTIVA (C100, C140) (2006-06 » ), CAPTIVA SPORT (2007-01 » ), EPICA (KL1_) (2004-06 » 2011-12), EVANDA (2005-03 » ), LACETTI (J200) (2003-03 » ), LACETTI sedan (J200) (2003-03 » 2013-03), NUBIRA Kombi (2005-01 » 2011-12), NUBIRA sedan (2005-01 » 2012-12), REZZO nadwozie wielkoprzestrzenne (MPV) (U100) (2005-03 » ), ZAFIRA (F75) (1999-02 » 2012-12)
CITROEN: C3 I (FC_, FN_) (2002-02 » 2013-12)
DAEWOO: ESPERO (KLEJ) (1991-10 » 1999-09), EVANDA (KLAL) (2002-08 » ), LACETTI liftback (KLAN) (2002-02 » ), LANOS (KLAT) (1997-04 » ), LANOS sedan (KLAT) (1997-02 » ), LEGANZA (KLAV) (1997-03 » 2004-04), NEXIA (1995-02 » 1997-08), NEXIA sedan (1995-02 » 2008-06), NUBIRA (J100) (1997-04 » ), NUBIRA (J150) (1999-06 » 2003-07), NUBIRA Kombi (J150) (1999-06 » 2003-10), NUBIRA sedan (J100) (1997-04 » ), NUBIRA sedan (J150) (1999-06 » 2003-10), NUBIRA sedan (J200) (2003-07 » ), NUBIRA Wagon (J100) (1997-04 » ), NUBIRA Wagon (J200) (2003-07 » ), REZZO (U100) (2000-06 » )
ISUZU: RODEO samochód terenowy zamknięty (1997-09 » 2004-08)
OPEL: AGILA A (H00) (2000-03 » 2007-12), ANTARA A (L07) (2006-08 » 2017-08), ASCONA C liftback (J82) (1981-09 » 1988-08), ASTRA F CLASSIC sedan (T92) (1998-01 » 2002-08), ASTRA F Furgon/kombi (T92) (1991-10 » 1999-01), ASTRA F kabriolet (T92) (1993-03 » 2001-03), ASTRA F Kombi (T92) (1991-09 » 2001-01), ASTRA F liftback (T92) (1991-09 » 2000-10), ASTRA F sedan (T92) (1991-09 » 2001-01), ASTRA G coupe (T98) (2000-03 » 2006-06), ASTRA G Furgon/kombi (F70) (1998-09 » 2005-04), ASTRA G kabriolet (T98) (2001-03 » 2005-10), ASTRA G Kombi (T98) (1998-02 » 2005-07), ASTRA G liftback (T98) (1998-02 » 2009-12), ASTRA G sedan (T98) (1998-03 » 2009-12), ASTRA H (A04) (2004-01 » 2014-05), ASTRA H GTC (A04) (2005-03 » 2010-10), ASTRA H Kombi (A04) (2004-08 » 2014-05), ASTRA H TwinTop (A04) (2005-09 » 2010-10), CALIBRA A (C89) (1989-08 » 1997-07), COMBO Furgon/minivan (71_) (1994-07 » 2001-10), CORSA A Furgon/hatchback (S83) (1986-02 » 1994-09), CORSA A liftback (S83) (1982-09 » 1993-03), CORSA A TR (S83) (1982-09 » 1993-03), CORSA B (S93) (1993-03 » 2009-10), CORSA B Furgon/hatchback (S93) (1994-08 » 2001-12), CORSA C (X01) (2000-09 » 2009-12), CORSA C Furgon/hatchback (X01) (2000-09 » 2012-12), FRONTERA A (U92) (1992-03 » 1998-10), FRONTERA A Sport (U92) (1992-03 » 1998-10), FRONTERA B (U99) (1998-09 » 2004-07), KADETT E Combo (T85) (1986-01 » 1994-07), KADETT E Furgon/kombi (T85) (1984-08 » 1993-09), KADETT E Kombi (T85) (1984-09 » 1991-08), KADETT E liftback (T85) (1984-09 » 1993-12), OMEGA B (V94) (1994-03 » 2005-12), OMEGA B Kombi (V94) (1994-03 » 2003-07), SINTRA (APV) (1996-11 » 1999-04), SPEEDSTER (E01) (2000-06 » 2006-08), TIGRA (S93) (1994-07 » 2000-12), VECTRA A (J89) (1988-08 » 1995-12), VECTRA A liftback (J89) (1988-04 » 1995-12), VECTRA B (J96) (1995-09 » 2004-07), VECTRA B Kombi (J96) (1996-11 » 2003-07), VECTRA B liftback (J96) (1995-09 » 2003-07), ZAFIRA / ZAFIRA FAMILY B (A05) (2005-07 » 2019-05), ZAFIRA A nadwozie wielkoprzestrzenne (MPV) (T98) (1999-04 » 2006-06), ZAFIRA B Furgon/minivan (A05) (2005-07 » 2015-04)
PEUGEOT: 107 (PM_, PN_) (2005-06 » 2016-05), 207 (WA_, WC_) (2006-02 » 2015-12)