| Symbol |
Nazwa |
Ilość |
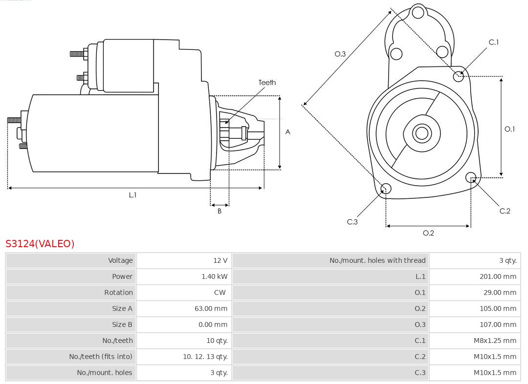
| SS3125P |
włącznik elektromagnetyczny rozrusznika |
1 |
MERCEDES-BENZ: 4159064000,
6079060300,
A4159064000,
A4159066300,
A6079060300MITSUBISHI: M000T21471,
M000T87881,
M00T87881,
M0T21471,
M0T87881,
MOT87881NISSAN: 2330000Q0F,
23300-00Q1H,
2330000Q1M,
23300-00Q2C,
2330000Q6L,
2330000QA0,
233000603R,
23300-3152R,
23300-3329R,
23300BC400,
23300BC40BRENAULT: 2330000Q2C,
233000603R,
233003329R,
7711135334,
7711497567,
8200251007,
8200285128,
8200306595,
8200399594,
8200584675,
8200584843,
8200836473
AS-PL: 003-D228,
101332,
101332M,
101332V,
10439700,
11022800,
11439700,
1265014,
13156,
2-0006,
20479911OE,
233000603R,
254376,
254376M,
254376V,
3299,
3D228,
6015119.1,
8200584675,
A78325,
ASM1054,
AZMT-53-010-1186,
EZ0054,
FT74238,
MTD228,
N521N60A,
NPANSM1054,
S12VA0012,
S12VA0012A2,
SMI160A,
ST02081,
STA0221R,
STM1084,
STM1403,
STR00249,
STR0274,
STX200019,
STX200019R,
SVA119,
UD800178(VALEO)S,
VAL438224AUTOELECTRO: AEU1332,
NEU1332BOM-PRESTOLITE: S1222MBOSCH: 0986022800,
F032US0072,
F032US0072K4K,
F042200015BV PSH: 570.534.123.000,
570.534.123.001,
570.534.123.130,
570.534.123.340,
570.534.123.500,
570.534.123.505,
S133.901CASCO: CST15119GSDENSO: 260540-6020,
DSN3021EAI: 11984ELSTOCK: 25-5118ERA: 220396FRIESEN: 8080186HC-CARGO: 113897,
F032113897LUCAS: LRS03956,
LRS3956POWERMAX: 88214930VALEO: 438224,
446512,
458388,
460428,
TS12-107,
TS12E9,
TS12M9WAI: 32968N
DACIA: DOKKER Furgon/minivan (2012-11 » 2021-12), DOKKER nadwozie wielkoprzestrzenne (MPV) (KE_) (2012-11 » 2021-12), DOKKER pick-up (2017-09 » 2021-12), DUSTER (HM_) (2017-10 » ), DUSTER (HS_) (2010-04 » 2018-01), DUSTER Furgon/SUV (2011-04 » ), LODGY (JS_) (2012-03 » ), LOGAN (LS_) (2004-08 » ), LOGAN EXPRESS (FS_) (2007-10 » ), LOGAN II (2012-10 » ), LOGAN MCV (KS_) (2007-02 » ), LOGAN MCV II (2013-02 » ), LOGAN pick-up (US_) (2008-03 » ), SANDERO (BS_) (2008-06 » 2013-06), SANDERO II (B8_) (2012-10 » )
MERCEDES-BENZ: CITAN Furgon/minivan (W415) (2012-11 » 2021-08), CITAN Mixto (Double Cabin) (W415) (2012-11 » 2021-08), CITAN nadwozie wielkoprzestrzenne (MPV) (W415) (2012-11 » 2021-08)
NISSAN: CUBE (Z12) (2007-09 » ), JUKE (F15) (2010-06 » 2019-12), JUKE Van (F15) (2010-06 » 2019-12), KUBISTAR Furgon (X76) (2003-08 » ), MICRA III (K12) (2002-03 » 2011-09), NOTE (E11, NE11) (2005-01 » 2013-08), NOTE (E12) (2012-09 » ), NV200 / EVALIA Autobus (2010-07 » ), NV200 Furgon (2010-02 » ), PULSAR liftback (C13) (2014-10 » ), QASHQAI I (J10, NJ10) (2006-11 » 2015-01), QASHQAI I VAN (J10) (2006-12 » 2014-04), TIIDA liftback (C11) (2004-05 » 2014-12), TIIDA sedan (SC11) (2004-05 » 2014-02)
RENAULT: CAPTUR I (J5_, H5_) (2013-06 » ), CLIO II (BB_, CB_) (1998-03 » 2016-12), CLIO II Furgon/hatchback (SB0/1/2_) (1998-09 » ), CLIO III (BR0/1, CR0/1) (2005-01 » 2014-12), CLIO III Furgon/hatchback (SB_, SR_) (2005-06 » ), CLIO III Grandtour (KR0/1_) (2007-11 » 2014-12), CLIO IV (BH_) (2012-11 » 2021-08), CLIO IV Furgon/hatchback (BH_) (2014-01 » 2021-08), CLIO IV Furgon/kombi (KH_) (2013-01 » 2021-08), CLIO IV Grandtour (KH_) (2012-11 » 2021-08), CLIO V (B7_) (2019-06 » ), DUSTER (HM_) (2017-10 » ), EXPRESS Furgon/minivan (2021-05 » ), FLUENCE (L3_) (2010-02 » ), GRAND SCENIC II (JM0/1_) (2004-04 » 2009-06), GRAND SCENIC III (JZ0/1_) (2009-02 » 2016-09), GRAND SCENIC IV (R9_) (2016-09 » 2023-03), KADJAR (HA_, HL_) (2015-06 » ), KANGOO (KC0/1_) (1997-08 » ), KANGOO / GRAND KANGOO II (KW0/1_) (2008-02 » ), KANGOO BE BOP (KW0/1_) (2009-02 » ), KANGOO Express (FC0/1_) (1997-08 » ), KANGOO Express (FW0/1_) (2008-02 » ), LAGUNA coupe (DT0/1) (2008-09 » 2015-12), LAGUNA III (BT0/1) (2007-10 » 2015-12), LAGUNA III Grandtour (KT0/1) (2007-10 » 2015-12), LATITUDE (L70_) (2010-07 » ), LOGAN I (LS_) (2004-09 » ), LOGAN I Kombi (KS_) (2007-04 » ), MEGANE CC (EZ0/1_) (2010-06 » 2015-08), MEGANE II (BM0/1_, CM0/1_) (2001-07 » 2012-10), MEGANE II Coupe-Cabriolet (EM0/1_) (2003-09 » 2010-03), MEGANE II Furgon/kombi (KM_) (2003-08 » 2009-07), MEGANE II Hatchback Van (KM0/2_) (2003-08 » 2009-07), MEGANE II Kombi (KM0/1_) (2003-08 » 2012-08), MEGANE II sedan (LM0/1_) (2003-08 » ), MEGANE III Combi Van (KZ0/1) (2009-01 » 2015-08), MEGANE III coupe (DZ0/1_) (2008-11 » 2016-09), MEGANE III Grandtour (KZ0/1) (2008-11 » 2016-01), MEGANE III Hatchback Van (BZ_) (2008-11 » 2015-08), MEGANE III liftback (BZ0/1_, B3_) (2008-11 » ), MEGANE IV Grandtour (K9A/M/N_) (2016-04 » ), MEGANE IV liftback (B9A/M/N_) (2015-11 » ), MEGANE IV sedan (LVA/M/N) (2016-10 » ), MODUS / GRAND MODUS (F/JP0_) (2004-09 » 2013-12), SANDERO/STEPWAY II (B8_) (2013-11 » ), SCENIC I nadwozie wielkoprzestrzenne (MPV) (JA0/1_, FA0_) (1999-08 » 2010-07), SCENIC II (JM0/1_) (2003-06 » 2010-07), SCENIC III (JZ0/1_) (2008-12 » 2016-09), SCENIC III VAN (JZ0/1_) (2008-12 » 2016-09), SCENIC IV (J9_) (2016-09 » 2022-07), TALISMAN (LP_) (2015-06 » 2022-03), TALISMAN Grandtour (KP_) (2016-03 » 2022-03), THALIA I (LB_) (1998-02 » 2009-02), THALIA II (LU_) (2008-09 » 2014-06), TWINGO II (CN0_) (2007-03 » 2014-09), TWINGO II Furgon/hatchback (CNO_) (2010-09 » 2014-09)
SUZUKI: JIMNY samochód terenowy zamknięty (SN) (1998-07 » )