Witaj! Panel klienta

S4051AS-PL

rozrusznik
ROZRUSZNIK AS-PL
Parametry:
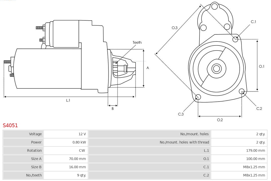
  • Moc znamionowa [kW] : 0,8
  • Napięcie [V] : 12
  • Liczba otworów do mocowania : 2
  • Kierunek obrotów : zgodnie z ruchem wskazówek zegara
  • Liczba zębów : 9
  • dla numeru OE : 63191007
  • Jakość : STANDARD LINE
  • Nowa część bez kaucji :
( brutto)
SKU S4051
Producent

Kłodnica
Towar dostępny od ręki
0
Magazyn 1.
Pn-Pt zamówienia do 10:55 - dostawa 3 trasa Zamówienia do 17:55 dostawa 1 trasa rano
0
Magazyn 2.
Zamówienia do 17:55 dostawa 1 trasa rano
0
Magazyn 3.
Zamówienia do 17:55 dostawa 1 trasa rano
0
Symbol Nazwa Ilość
SRS0070  zestaw naprawczy, rozrusznik 
ARS0032  zestaw naprawczy, alternator 
SD4061  sprzęgło jednokierunkowe, rozrusznik 
SS4039  włącznik elektromagnetyczny rozrusznika 
SRS0111  zestaw naprawczy, alternator 
SBR4020S  pokrywa rozrusznika, gaźnika 
SRS4013S  pokrywa rozrusznika, gaźnika 
SBH4013S  mocowanie, szczotki węglowe 
SB4014S  szczotka węglowa, rozrusznik 
SF4013S  uzwojenie wzbudzające, rozrusznik 
SRS4004  zestaw naprawczy, rozrusznik 
SRS4004(BULK)  zestaw naprawczy, rozrusznik 
SD4061S  sprzęgło jednokierunkowe, rozrusznik 
SP4003  zestaw naprawczy, rozrusznik 
SF4016S  uzwojenie wzbudzające, rozrusznik 
ARS9075S  zestaw naprawczy, alternator 
SBR4025S  pokrywa rozrusznika, gaźnika 
SA4019  twornik, rozrusznik 
SBU9215S(BULK)  tuleja, wał rozrusznika 
SBU9215S  tuleja, wał rozrusznika 
SBU9073  tuleja, wał rozrusznika 
SBU9073(BULK)  tuleja, wał rozrusznika 
SBU9225S(BULK)  tuleja, wał rozrusznika 
SBU9225S  tuleja, wał rozrusznika 
ARS9075S(BULK)  zestaw naprawczy, alternator 
SRS4004PR  zestaw naprawczy, rozrusznik 
SMART: CABRIO (450) (2000-03 » 2004-01), CITY-COUPE (450) (1998-07 » 2004-01), CROSSBLADE (450) (2002-06 » 2003-12), FORTWO Cabrio (450) (2004-01 » 2007-01), FORTWO coupe (450) (2004-01 » 2007-02), ROADSTER (452) (2003-04 » 2005-11), ROADSTER coupe (452) (2003-04 » 2005-11)