FIAT: 4474746,
4474747,
4474750LADA: 1.3R3103,
2100-3708000,
2101-3708000,
2101-370800002,
21053708010,
21070-3708010-01,
2110-3708010-01,
21213-3708010,
221-3708000,
263,
3101-3708000,
35,
35.3708-01,
353708-12B,
3708000,
4233708,
425,
4253708,
5722,
5722.3708,
CT221128,
CT22112B,
CT2213708000,
KAT3K35.3708,
KAT3KCT221126,
KAT3KCT22112B,
Z11M2.116,
Z11M2.116/1.814
AS-PL: 10139,
9141382,
MAV1050,
S12BH0757A2,
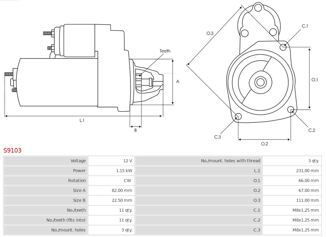
S9103,
STR1591,
STRS180,
STX200090,
STX200090R,
UD10937SAUTOELECTRO: AES2186BOM-PRESTOLITE: S1024BBOSCH: 0001208218DELCO REMY: 19024839ELMOT: 803000.2,
E100L-1.5/12,
R100.03ELSTOCK: 25-0079ERA: 220079FEMSA: MTD12-14HC-CARGO: 110352,
F032110352HC-PARTS: CS139LUCAS: LRS00286,
LRS286MAGNETI MARELLI: 63222405,
63222408,
63222435,
63222436,
63222438,
63222506,
E100-1.3/12V8
FIAT: 131 (131_) (1974-10 » 1987-03), 131 Familiare/Panorama (131_) (1975-03 » 1984-12)
LADA: 1200-1500 Kombi (1973-09 » 1988-06), 1200-1600 (1970-01 » 2005-12), KALINKA Furgon/kombi (21043) (1985-05 » 1998-04), NADESCHDA (2120) (1997-12 » 2006-12), NIVA samochód terenowy zamknięty (2121, 2131) (1976-12 » ), NOVA (2105) (1981-05 » 2012-04), NOVA Kombi (2104) (1984-09 » 2012-04), TOSCANA (2107) (1982-05 » 2012-05)