Witaj! Panel klienta

SD0277AS-PL

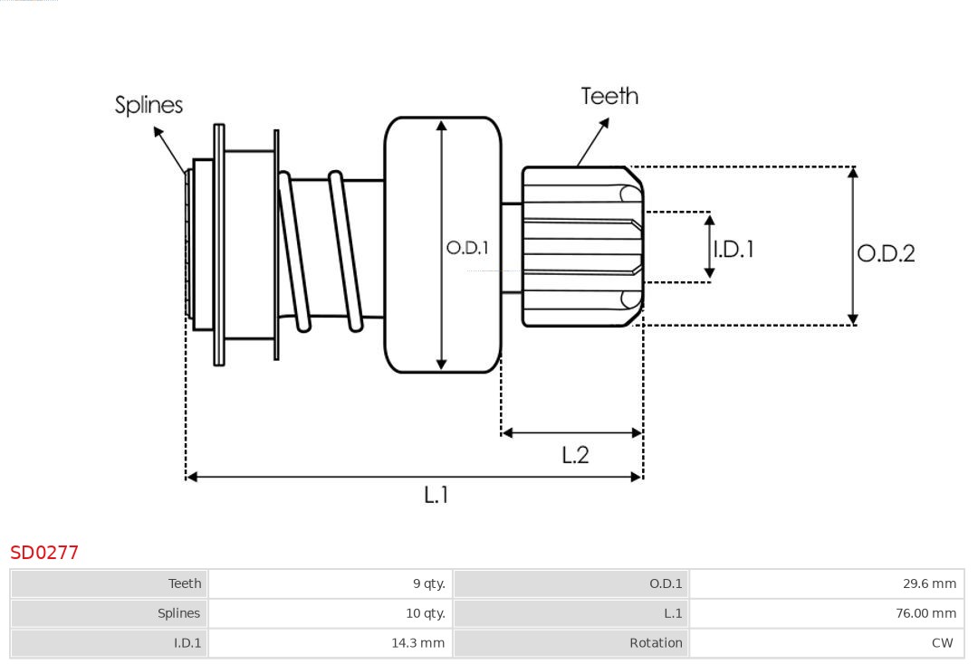
sprzęgło jednokierunkowe, rozrusznik
BENDIKS ROZRUSZNIKA AS-PL
Parametry:
  • Liczba zębów : 9
  • Długość 1 [mm] : 75
  • Średnica zewnętrzna 1 [mm] : 59,50
  • Średnica wewnętrzna [mm] : 14,30
  • Kierunek obrotów : zgodnie z ruchem wskazówek zegara
  • Średnica zewnętrzna 2 [mm] : 29,40
  • Jakość : PREMIUM LINE
  • Nowa część bez depozytu :
( brutto)
SKU SD0277
Producent

Kłodnica
Towar dostępny od ręki
0
Magazyn 1.
Pn-Pt zamówienia do 10:55 - dostawa 3 trasa Zamówienia do 17:55 dostawa 1 trasa rano
0
Magazyn 2.
Zamówienia do 17:55 dostawa 1 trasa rano
0
Magazyn 3.
Zamówienia do 17:55 dostawa 1 trasa rano
0