Witaj! Panel klienta

800-1120CCIFAM

tarcza hamulcowa
TARCZA HAMULC. MITSUBISHI PAJERO PININ 99-05 TYŁ
Parametry:
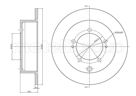
  • Oznaczenie kontrolne : ECE-R90
  • Wysokość [mm] : 60,3
  • Typ tarczy hamulcowej : pełny
  • Grubość tarczy hamulcowej [mm] : 9,5
  • średnica zewnętrzna [mm] : 261,8
  • Liczba otworów : 5
  • Średnica otworu centrującego [mm] : 90,0
  • Powierzchnia : lakierowany
( brutto)
SKU 800-1120C
Producent

Kłodnica
Towar dostępny od ręki
0
Magazyn 1.
Pn-Pt zamówienia do 10:55 - dostawa 3 trasa Zamówienia do 17:55 dostawa 1 trasa rano
0
MITSUBISHI: MR493489
A.B.S.: 17133
APEC: DSK2354
ASHIKA: 61-05-503, 61-05-503C
ATE: 24.0110-0281.1, 410281
BLUE PRINT: ADC44388
BOSCH: 0 986 479 512
BRAKE ENGINEERING: DI956010
BRECO: BS6008
BREMBO: 08.8316.20
CAR: 1421353
DELPHI: BG3815
FEBI BILSTEIN: 170808
FERODO: DDF1410-1, DDF1410C
FRI.TECH.: BD1137
FTE: BS5447
GUTTMANN: 50200138415
ICER: 78BD8326-2
INTERBRAKE: MB811P
JAPANPARTS: DP-503, DP-503C, DP-521
JAPKO: 61503, 61503C
LPR: M1020P
MAPCO: 25544
METELLI: 23-1120C
MEYLE: 32155230009
MINTEX: MDC1448
NIPPARTS: J3315022
NK: 203049, 313049
OPEN PARTS: BDR2189.10
OPTIMAL: BS-8524C
PILENGA: 5604
QUINTON HAZELL: BDC5447
REMSA: BDM61230.00
ROADHOUSE: 61230.00
SBS: 1815203049, 1815313049
SKF: VKBD90895S2
SWAG: 33106465
TEXTAR: 92148600
TRUSTING: DF1137
TRW: DF4913
VILLAR: 6282233
WOKING: D61230.00
MITSUBISHI: ECLIPSE II (D3_A) (1994-04 » 1999-04), LANCER VII (CS_A, CT_A) (2000-01 » 2013-12), LANCER VII Kombi (CS_W, CT_W) (2003-09 » 2008-12), OUTLANDER I (CU_W) (2001-03 » 2008-07), PAJERO PININ I (H6_W, H7_W) (1999-01 » 2007-06), SPACE RUNNER (N6_W, N7_W) (1997-11 » 2003-01)