Witaj! Panel klienta

800-378CCIFAM

tarcza hamulcowa
TARCZA HAMULC. VW PASSAT 96-98
Parametry:
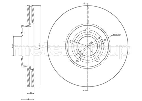
  • Oznaczenie kontrolne : ECE-R90
  • Wysokość [mm] : 46,5
  • Typ tarczy hamulcowej : wentylowany
  • Grubość tarczy hamulcowej [mm] : 25,0
  • średnica zewnętrzna [mm] : 282,5
  • Liczba otworów : 5
  • Średnica otworu centrującego [mm] : 68,0
  • Powierzchnia : lakierowany
( brutto)
SKU 800-378C
Producent

Kłodnica
Towar dostępny od ręki
0
Magazyn 1.
Pn-Pt zamówienia do 10:55 - dostawa 3 trasa Zamówienia do 17:55 dostawa 1 trasa rano
0
A.B.S.: 16878, 16878S
APEC: DSK787
ASHIKA: 60-00-0955
ATE: 24.0125-0115.1, 24.0325-0115.1, 425115, 525115
BARUM: BAR25115
BENDIX: 520780, 562052B, 562052BC
BLUE PRINT: ADV184383
BOSCH: 0 986 478 872, 0 986 479 C81
BRADI: 1.5835.2.4
BRAKE ENGINEERING: DI955678
BRECO: BS8294
BREMBO: 09.7195.10
CAR: 142757
DELPHI: BG3199
FEBI BILSTEIN: 18392
FERODO: DDF1014, DDF1014C
FREMAX: BD-5306
FRI.TECH.: BD0471
FTE: BS4731, BS4731B, BS4731HB
GALFER: 24316VF
GUTTMANN: 5026575751
ICER: 78BD5306-2
INTERBRAKE: HVW401V, VW401V
JAPANPARTS: DI-0955, DI-0955C
JAPKO: 600955
JURID: 520780, 562052J, 562052JC
KNECHT: KTV850
LPR: V2401V
MAGNETI MARELLI: 353615835240, 360406050000, 431602042270
MAPCO: 15838, 15838C
METELLI: 23-0378C
MEYLE: 1155210031, 1155210031/PD, 1155211022, 1155211022/PD
MGA: 105D1178
MINTEX: MDC1048
NATIONAL: NBD911
NK: 204765, 314765, 344765
OPEN PARTS: BDR1732.20, BDRS1732.25
OPTIMAL: BS-5490C
PAGID: 53962, 53962NC
PILENGA: V850
QH BENELUX: 57768
QUINTON HAZELL: BDC4731
REMSA: BDM6732.20, DF6315.11, DF6549.10, DF6732.20
ROADHOUSE: 6315.11, 6549.10
SASIC: 9004883J
SBS: 1815204765, 1815314765, 1815344765
SWAG: 30918392
TEXTAR: 92057603, 98200083601
TRUSTING: DF471
TRW: DF4045
VALEO: 186583, 673109
VEMA: 98078
VILLAR: 6280666
WOKING: D6549.10
ZIMMERMANN: 600320800, 600320820
VW: PASSAT B5 (3B2) (1996-08 » 2001-12), PASSAT B5 Variant (3B5) (1997-05 » 2001-12), PASSAT B5.5 (3B3) (2000-10 » 2005-12), PASSAT B5.5 Variant (3B6) (2000-09 » 2005-08)