Witaj! Panel klienta

800-929CCIFAM

tarcza hamulcowa
TARCZA HAMULC. KIA PICANTO 04- TYŁ
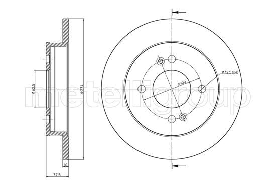
Parametry:
  • Oznaczenie kontrolne : ECE-R90
  • Wysokość [mm] : 37,6
  • Typ tarczy hamulcowej : pełny
  • Grubość tarczy hamulcowej [mm] : 10,0
  • średnica zewnętrzna [mm] : 234,0
  • Liczba otworów : 4
  • Średnica otworu centrującego [mm] : 62,5
  • Powierzchnia : lakierowany
( brutto)
SKU 800-929C
Producent

Kłodnica
Towar dostępny od ręki
0
Magazyn 1.
Pn-Pt zamówienia do 10:55 - dostawa 3 trasa Zamówienia do 17:55 dostawa 1 trasa rano
0
A.B.S.: 17656
APEC: DSK2496
ASHIKA: 61-0K-002, 61-0K-002C
ATE: 24.0110-0324.1, 410324
BENDIX: 522127, 562429B, 562429BC
BLUE PRINT: ADG043137, ADG04396
BOSCH: 0 986 479 256, 0 986 479 B95, 0 986 479 S61
BRAKE ENGINEERING: DI956502
BRECO: BS7775, BS7776
BREMBO: 08.A916.10
CAR: 1421147, HPD1147
DELPHI: BG3981, BG3981C
FEBI BILSTEIN: 108389
FERODO: DDF1793, DDF1793C
FIRST LINE: FBD1786
FRI.TECH.: BD1119
FTE: BS5568, BS7121, BS7121B
GUTTMANN: 50160110415
ICER: 78BD7520-2
INTERBRAKE: HKI031P, KI031P
JAPANPARTS: DP-K02, DP-K02C
JAPKO: 61K02, 61K02C
JURID: 522127, 562429J, 562429JC
KLAXCAR FRANCE: 25480z
LPR: K2013P, K2013PR
MAPCO: 45572, 45572C
METELLI: 23-0929C
MEYLE: 37155230014, 37155230014/PD
MINTEX: MDC1726
NATIONAL: NBD1343
NIPPARTS: J3310311
NK: 203518, 313518
OPEN PARTS: BDA2184.10, BDR2184.10
OPTIMAL: BS-8652C
PAGID: 54472, 54472NC
PILENGA: 5841
QH BENELUX: 58277
QUINTON HAZELL: BDC5568
REMSA: BDM6991.00, DF6991.00
SASIC: 6106229
SBS: 1815203518, 1815313518
SKF: VKBD90474S2
TEXTAR: 92147203
TRUSTING: DF1119
TRW: DF4801
VAICO: A52-2508
VILLAR: 6282313
WOKING: D6991.00
ZIMMERMANN: 285351120
HYUNDAI: i10 I (PA) (2007-10 » 2018-05)
KIA: PICANTO I (SA) (2004-04 » 2012-05), PICANTO II (TA) (2011-05 » 2018-04), PICANTO III (JA) (2017-03 » )