Witaj! Panel klienta

800-542CCIFAM

tarcza hamulcowa
TARCZA HAMULC. FORD FOCUS 98-04 TYŁ
Parametry:
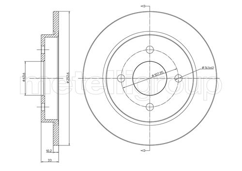
  • Oznaczenie kontrolne : ECE-R90
  • Wysokość [mm] : 33,0
  • Typ tarczy hamulcowej : pełny
  • Grubość tarczy hamulcowej [mm] : 10,0
  • średnica zewnętrzna [mm] : 253,0
  • Liczba otworów : 4
  • Średnica otworu centrującego [mm] : 63,5
  • Powierzchnia : lakierowany
( brutto)
SKU 800-542C
Producent

Kłodnica
Towar dostępny od ręki
0
Magazyn 1.
Pn-Pt zamówienia do 10:55 - dostawa 3 trasa Zamówienia do 17:55 dostawa 1 trasa rano
0
A.B.S.: 15814, 16375
APEC: DSK607
ASHIKA: 61-00-0303
ATE: 24.0110-0115.1, 24.0310-0115.1, 410115, 510115
BARUM: BAR10115
BENDIX: 520839, 561375B, 561375BC
BLUE PRINT: ADF124319
BOSCH: 0 986 478 344
BRADI: 1.1717.5.5
BRAKE ENGINEERING: DI952100
BRECO: BS7425, BV7425
BREMBO: 08.4931.20, 08.4931.21, 08.4931.24
CAR: 142268
DELPHI: BG3054, BG3054C
FEBI BILSTEIN: 05652
FERODO: DDF281, DDF281C
FREMAX: BD-7969
FRI.TECH.: BD0170
FTE: BS3583, BS3583B
GUTTMANN: 5015026811
HELLA: 355105661
ICER: 78BD7969-2
INTERBRAKE: FR161P, HFR161P
JAPANPARTS: DP-0303, DP-0303C
JAPKO: 610303
JURID: 520839, 561375J, 561375JC
KLAXCAR FRANCE: 25187z
KNECHT: KT5278
LPR: F1161P, F1161PR
MAGNETI MARELLI: 353611717550, 360406024600, 431602041420
MAPCO: 15731, 15731C
METELLI: 23-0542C
MEYLE: 7155230010, 7155230010/PD, 7155237003, 7155237003/PD
MGA: 105D1220
MINTEX: MDC442, MDC442C
NATIONAL: NBD202, PBD202
NK: 202536, 312536
OPEN PARTS: BDA1165.10, BDR1165.10
OPTIMAL: BS-1550C
PAGID: 51008, 51008NC
PILENGA: 5278
QH BENELUX: 53391
QUINTON HAZELL: BDC3583
REMSA: BDM6165.10, DF6155.00, DF6165.10
ROADHOUSE: 6155.00
SASIC: 9004807J
SBS: 1815202536, 1815312536
SKF: VKBD90520S2
SWAG: 50905652
TEXTAR: 92088400, 98200039001
TOPRAN: 300293
TRUSTING: DF170
TRW: DF1654
VAICO: V25-40004
VEMA: 98044
VILLAR: 6281544
WOKING: D6155.00
ZIMMERMANN: 250131900, 250134000, 250134020
FORD: FIESTA sedan (2010-04 » 2017-04), FIESTA V (JH_, JD_) (2001-11 » 2014-12), FIESTA VI (CB1, CCN) (2008-06 » ), FIESTA VI Van (2008-08 » 2017-04), FOCUS I (DAW, DBW) (1998-09 » 2009-11), FOCUS I sedan (DFW) (1999-02 » 2009-11), FOCUS I Turnier (DNW) (1999-02 » 2007-12), SCORPIO II (GFR, GGR) (1994-10 » 1998-08), SIERRA I liftback (GBC) (1982-08 » 1987-02), SIERRA II (GBG, GB4) (1987-01 » 1993-02), SIERRA II liftback (GBC, GBG) (1987-01 » 1993-03), SIERRA II Turnier (BNG) (1987-01 » 1993-02), SIERRA Turnier (BNC) (1982-08 » 1986-12)
FORD AUSTRALIA: FIESTA liftback (WS) (2008-10 » )