Witaj! Panel klienta

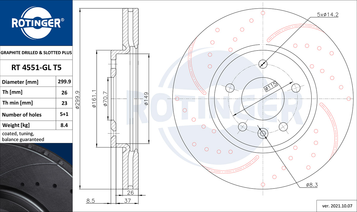
RT 4551-GL T5ROTINGER

tarcza hamulcowa
TARCZA HAMULCOWA CHEVROLET CRUZE; OPEL ASTRA J, ZAFIRA[300X46]
Parametry:
  • Typ tarczy hamulcowej : perforowany
  • Typ tarczy hamulcowej : wentylowany
  • Powierzchnia : pokrywany galwanicznie
  • Strona zabudowy : Oś przednia
  • średnica zewnętrzna [mm] : 300
  • Średnica wewnętrzna [mm] : 149
  • Średnica otworu centrującego [mm] : 70,8
  • Wysokość [mm] : 45,6
  • Grubość tarczy hamulcowej [mm] : 26
  • Minimalna grubość [mm] : 23
  • Liczba otworów : 5
  • Wymiar gwintu : 14,2
  • Liczba otworów 1 : 1
  • rozstaw otworów 1 [mm] : 115
  • Ciężar [kg] : 8,4
  • Ø rozmieszczenia otworów [mm] : 115
( brutto)
SKU RT 4551-GL T5
Producent

Kłodnica
Towar dostępny od ręki
0
CHEVROLET: CRUZE (J300) (2009-05 » ), CRUZE liftback (J305) (2010-12 » ), CRUZE Station Wagon (J308) (2012-08 » ), ORLANDO (J309) (2010-12 » ), VOLT (2011-04 » )
OPEL: AMPERA (R12) (2011-11 » 2015-03), ASTRA J (P10) (2009-09 » 2016-04), ASTRA J Furgon/hatchback (P10) (2009-09 » 2015-10), ASTRA J Furgon/kombi (P10) (2009-09 » 2015-10), ASTRA J GTC (2011-10 » 2018-04), ASTRA J sedan (2012-06 » ), ASTRA J Sports Tourer (P10) (2010-10 » 2015-10), INSIGNIA B Country Tourer (Z18) (2017-06 » ), INSIGNIA B Grand Sport (Z18) (2017-03 » ), INSIGNIA B Sports Tourer (Z18) (2017-03 » ), INSIGNIA B Sports Tourer Combi Van (Z18) (2017-03 » ), ZAFIRA TOURER C (P12) (2011-10 » ), ZAFIRA TOURER C VAN (P12) (2011-10 » )
VAUXHALL: ZAFIRA Mk III (P12) (2011-10 » 2018-08)