Witaj! Panel klienta

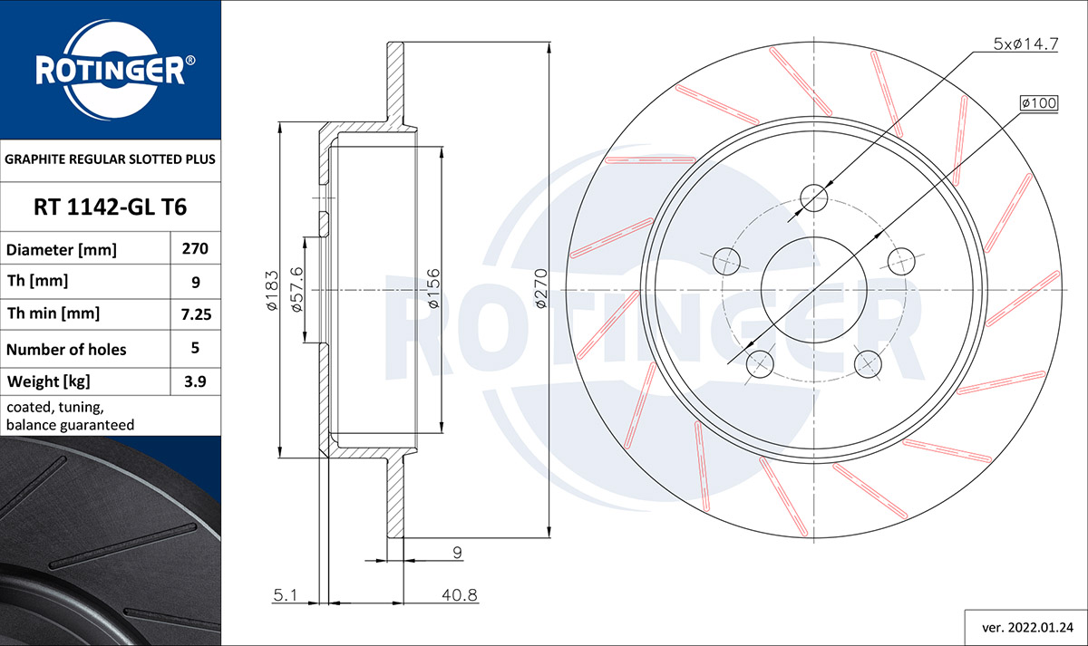
RT 1142-GL T6ROTINGER

tarcza hamulcowa
TARCZA HAMULCOWA CHRYSLER NEON, PT CRUISER [270X53]
Parametry:
  • Typ tarczy hamulcowej : pełny
  • Powierzchnia : pokrywany galwanicznie
  • Strona zabudowy : Oś tylna
  • średnica zewnętrzna [mm] : 270
  • Średnica wewnętrzna [mm] : 172
  • Średnica otworu centrującego [mm] : 57,5
  • Wysokość [mm] : 53,3
  • Grubość tarczy hamulcowej [mm] : 9
  • Minimalna grubość [mm] : 7,2
  • Liczba otworów : 5
  • Wymiar gwintu : 14,5
  • Ciężar [kg] : 3,9
  • Ø rozmieszczenia otworów [mm] : 100
( brutto)
SKU RT 1142-GL T6
Producent

Kłodnica
Towar dostępny od ręki
0
CHRYSLER: NEON (PL) (1994-05 » 2000-09), NEON II (1999-08 » 2006-12), PT CRUISER (PT_) (2000-06 » 2010-12), PT CRUISER kabriolet (2000-06 » 2010-12)