Witaj! Panel klienta

RT 1297-GL T6ROTINGER

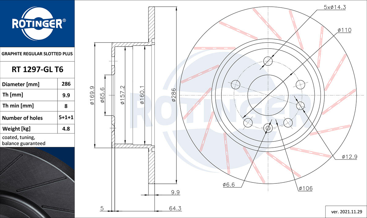
tarcza hamulcowa
TARCZA HAMULCOWA OPEL VECTRA B [286X69]
Parametry:
  • Typ tarczy hamulcowej : pełny
  • Powierzchnia : pokrywany galwanicznie
  • Strona zabudowy : Oś tylna
  • średnica zewnętrzna [mm] : 285,7
  • Średnica wewnętrzna [mm] : 157,2
  • Średnica otworu centrującego [mm] : 65,5
  • Wysokość [mm] : 69,3
  • Grubość tarczy hamulcowej [mm] : 9,9
  • Minimalna grubość [mm] : 8
  • Liczba otworów : 5
  • Wymiar gwintu : 14,3
  • Liczba otworów 1 : 1
  • rozstaw otworów 1 [mm] : 106
  • Ciężar [kg] : 4,8
  • Ø rozmieszczenia otworów [mm] : 110
( brutto)
SKU RT 1297-GL T6
Producent

Kłodnica
Towar dostępny od ręki
0
A.B.S.: 16489
A.P.: 14658, 15380
ACDELCO: AC2542D
AP: 14658
APEC: DSK723
ATE: 24 0110 0226 1, 24 0310 0226 1, 24 1110 0226 1
BARUM: BAR10226
BENDIX: 561962B, 561962BC
BORG & BECK: BBD5084
BOSCH: 0986478436, 0 986 479 866, F 026 A00 990
BRADI: 1342854
BRAKE ENGINEERING: DI955560
BRECO: BS 7541
BREMBO: 08 7015 10, 08 7015 20, 08 7015 21
CAR: 142489, HPD 489
CIFAM: 800-607
DBA AUSTRALIA: DBA826
DELPHI: BG3274, BG3274C
FEBI BILSTEIN: 23544
FERODO: DDF1083, DDF10831, DDF1083C, DDF811, DDF8111, DDF811C, DDF811C1
FIRST LINE: FBD 841
FTE: 9082035, BS4680, BS4680B, BS7014
GALFER: B1.G210-0226.1, G2110226
GIRLING: 6027734
GRAF: DF29607
HELLA: 8DD 355 104-691, 8DD 355 104-701, 8DD 355 104-702
HELLA PAGID: 8DD 355 104-691, 8DD 355 104-701, 8DD 355 104-702
HI-Q: SD5109
JURID: 561962J, 561962JC
LEMFORDER: 22840 02
LPR: O1331P
MAGNETI MARELLI: 353613428540, 353613428550
MAPCO: 15854, 15854/2
METELLI: 230607, 23-0607C
METZGER AUTOTEILE: 14658
MEYLE: 6155230021, 615 523 0021/PD, 6155236010
MGA: D1233
MINTEX: MDC1045, MDK0043
NATIONAL: NBD770
NK: 203624, 313624
OBTEC A/S: 252516
OPTIMAL: BS-4870, BS-4870C
PAGID: 52428, 52428PRO
PEX: 140441
PILENGA: 5768
QH BENELUX: 57669
QUINTON HAZELL: 6487.00, BDC4680, BSF4680, MBD4680
REMSA: 648700
REMY: RAD1170C
ROADHOUSE: 6487 00
ROTINGER: RT 1297-GL, RT 1297-GL T1, RT 1297-GL T2, RT 1297-GL T3, RT 1297-GL T4, RT 1297-GL T5, RT 1297-GL T6, RT 1297-GL T7, RT 1297-GL T9, RT 1297 T1, RT 1297 T2, RT 1297 T3, RT 1297 T4, RT 1297 T5, RT 1297 T6, RT 1297 T7, RT 1297 T9
ROULUNDS BRAKING: D2542
ROULUNDS RUBBER: D2542
RUVILLE: BRR420110
SBS: 1815203624, 1815313624
SEBRO: 5171
ST-TEMPLIN: 03.110.24070, 03.110.24075, 03.110.26310
SWAG: 40 92 3544
TEXTAR: 92075700, 92075703, 92075705, 98200075701
TRISCAN: 8120 24124, 8120 65110
TRUCKTEC AUTOMOTIVE: 06.35.003
TRUSTING: DF032, DF191
TRW: DF2773
VALEO: 186566
WOKING: P648700
ZIMMERMANN: 430147500, 430147520, 430147550, 430147552
OPEL: VECTRA B (J96) (1995-09 » 2004-07), VECTRA B Kombi (J96) (1996-11 » 2003-07), VECTRA B liftback (J96) (1995-09 » 2003-07)
SAAB: 900 II (1993-07 » 1999-04), 900 II coupe (1993-12 » 1999-04), 900 II kabriolet (1993-09 » 1999-04), 9-3 (YS3D) (1998-02 » 2003-08), 9-3 Cabriolet (YS3D) (1998-02 » 2003-08), 9-5 (YS3E) (1997-09 » 2009-12), 9-5 Kombi (YS3E) (1998-10 » 2009-12)