Witaj! Panel klienta

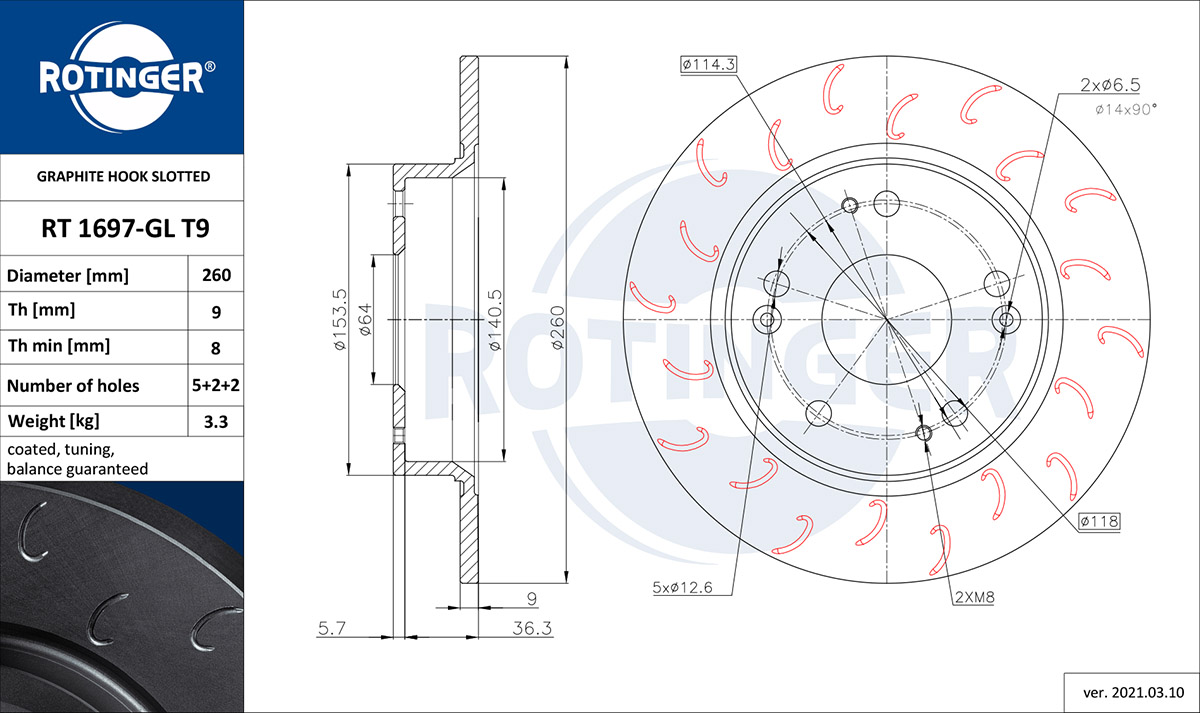
RT 1697-GL T9ROTINGER

tarcza hamulcowa
TARCZA HAMULCOWA HONDA CIVIC VII ,VIII [260X42]
Parametry:
  • Typ tarczy hamulcowej : pełny
  • Powierzchnia : pokrywany galwanicznie
  • Strona zabudowy : Oś tylna
  • średnica zewnętrzna [mm] : 260
  • Średnica wewnętrzna [mm] : 140,5
  • Średnica otworu centrującego [mm] : 64,1
  • Wysokość [mm] : 42,1
  • Grubość tarczy hamulcowej [mm] : 9
  • Minimalna grubość [mm] : 8
  • Liczba otworów : 5
  • Wymiar gwintu : 12,6
  • Liczba otworów 1 : 2
  • rozstaw otworów 1 [mm] : 118
  • Ciężar [kg] : 3,3
  • Ø rozmieszczenia otworów [mm] : 114,3
( brutto)
SKU RT 1697-GL T9
Producent

Kłodnica
Towar dostępny od ręki
0
HONDA: CIVIC IX (FK) (2012-02 » 2017-07), CIVIC IX sedan (FB) (2011-09 » 2016-12), CIVIC VIII Hatchback (FN, FK) (2005-09 » 2012-12), CIVIC VIII sedan (FD, FA) (2005-09 » 2013-05)