Witaj! Panel klienta

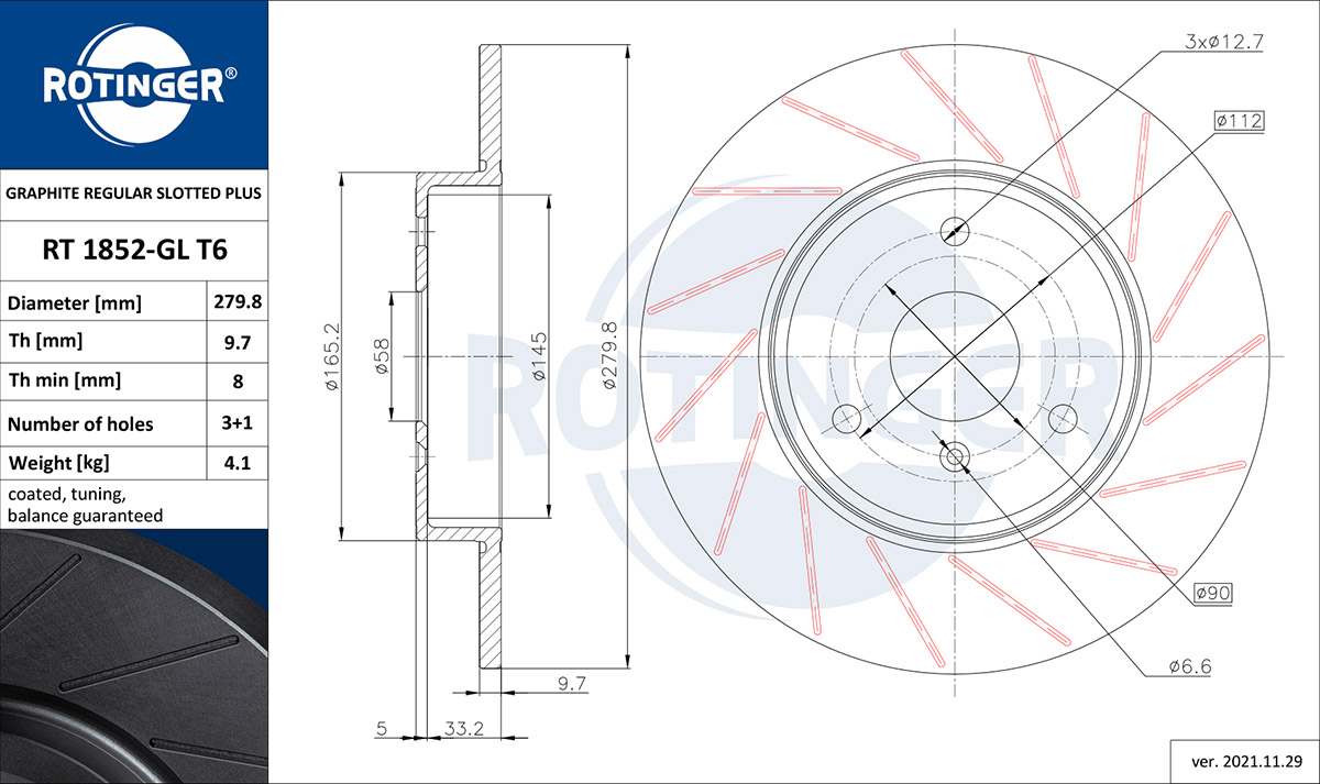
RT 1852-GL T6ROTINGER

tarcza hamulcowa
TARCZA HAMULCOWA SMART FORTWO [280X38]
Parametry:
  • Typ tarczy hamulcowej : pełny
  • Powierzchnia : pokrywany galwanicznie
  • Strona zabudowy : Oś przednia
  • średnica zewnętrzna [mm] : 279,8
  • Średnica wewnętrzna [mm] : 145
  • Średnica otworu centrującego [mm] : 58
  • Wysokość [mm] : 38,2
  • Grubość tarczy hamulcowej [mm] : 9,7
  • Minimalna grubość [mm] : 8
  • Liczba otworów : 3
  • Wymiar gwintu : 12,6
  • Liczba otworów 1 : 1
  • rozstaw otworów 1 [mm] : 90
  • Ciężar [kg] : 4,1
  • Ø rozmieszczenia otworów [mm] : 112
( brutto)
SKU RT 1852-GL T6
Producent

Kłodnica
Towar dostępny od ręki
0
SMART: CABRIO (450) (2000-03 » 2004-01), CITY-COUPE (450) (1998-07 » 2004-01), CROSSBLADE (450) (2002-06 » 2003-12), FORTWO Cabrio (450) (2004-01 » 2007-01), FORTWO Cabrio (451) (2007-01 » ), FORTWO coupe (450) (2004-01 » 2007-02), FORTWO coupe (451) (2007-01 » )