Witaj! Panel klienta

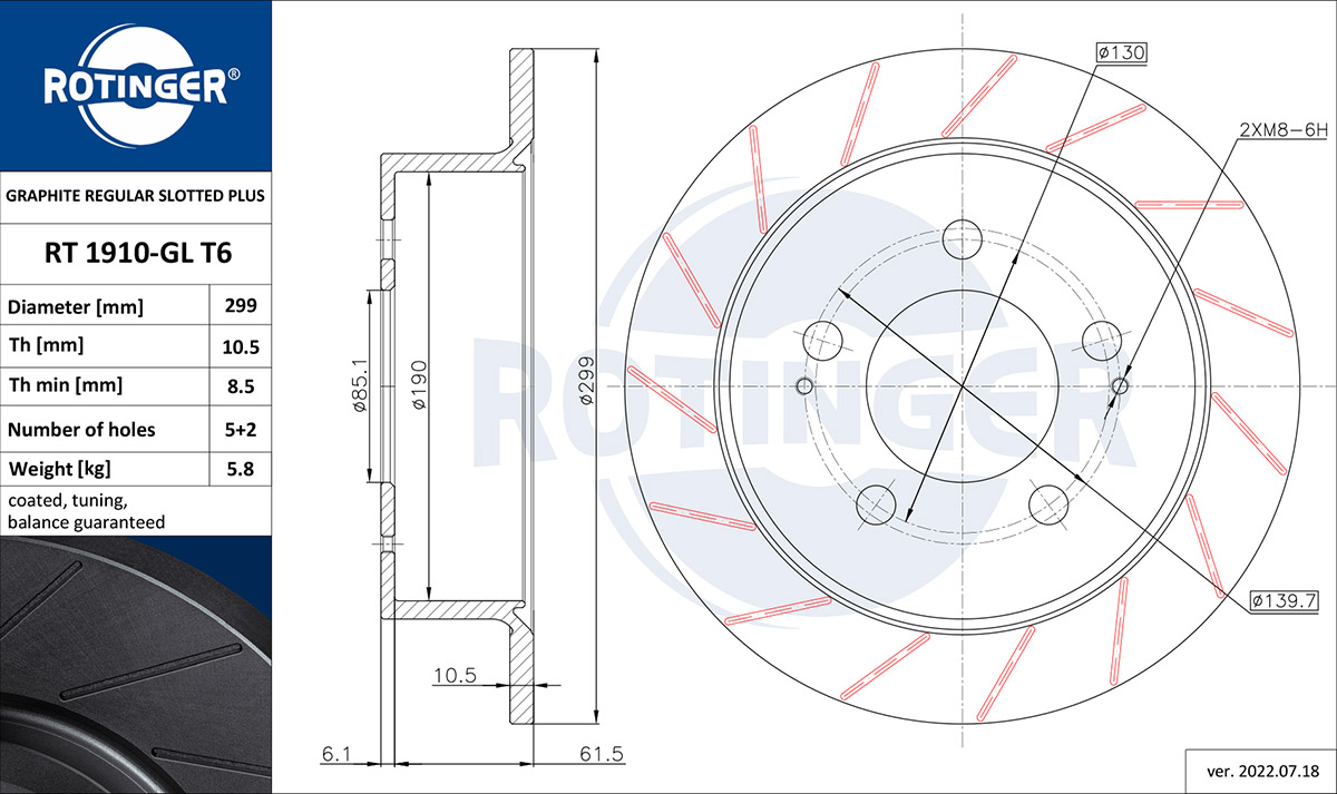
RT 1910-GL T6ROTINGER

tarcza hamulcowa
TARCZA HAMULCOWA SSANGYONG ACTYON, KYRON, REXTON [299X68]
Parametry:
  • Typ tarczy hamulcowej : pełny
  • Powierzchnia : pokrywany galwanicznie
  • Strona zabudowy : Oś tylna
  • średnica zewnętrzna [mm] : 299
  • Średnica wewnętrzna [mm] : 190
  • Średnica otworu centrującego [mm] : 85,1
  • Wysokość [mm] : 67,6
  • Grubość tarczy hamulcowej [mm] : 10,4
  • Minimalna grubość [mm] : 8,5
  • Liczba otworów : 5
  • Wymiar gwintu : 17,3
  • Ciężar [kg] : 5,8
  • Ø rozmieszczenia otworów [mm] : 130
( brutto)
SKU RT 1910-GL T6
Producent

Kłodnica
Towar dostępny od ręki
0
SSANGYONG: ACTYON I (2005-11 » ), ACTYON II (2012-08 » ), ACTYON SPORTS I (QJ) (2005-11 » ), ACTYON SPORTS II (2012-01 » ), KYRON (2005-05 » 2014-12), REXTON / REXTON II (GAB_) (2002-04 » ), REXTON / REXTON II VAN (2002-04 » ), REXTON W / REXTON (2012-07 » ), REXTON W / REXTON VAN (2012-07 » )