Witaj! Panel klienta

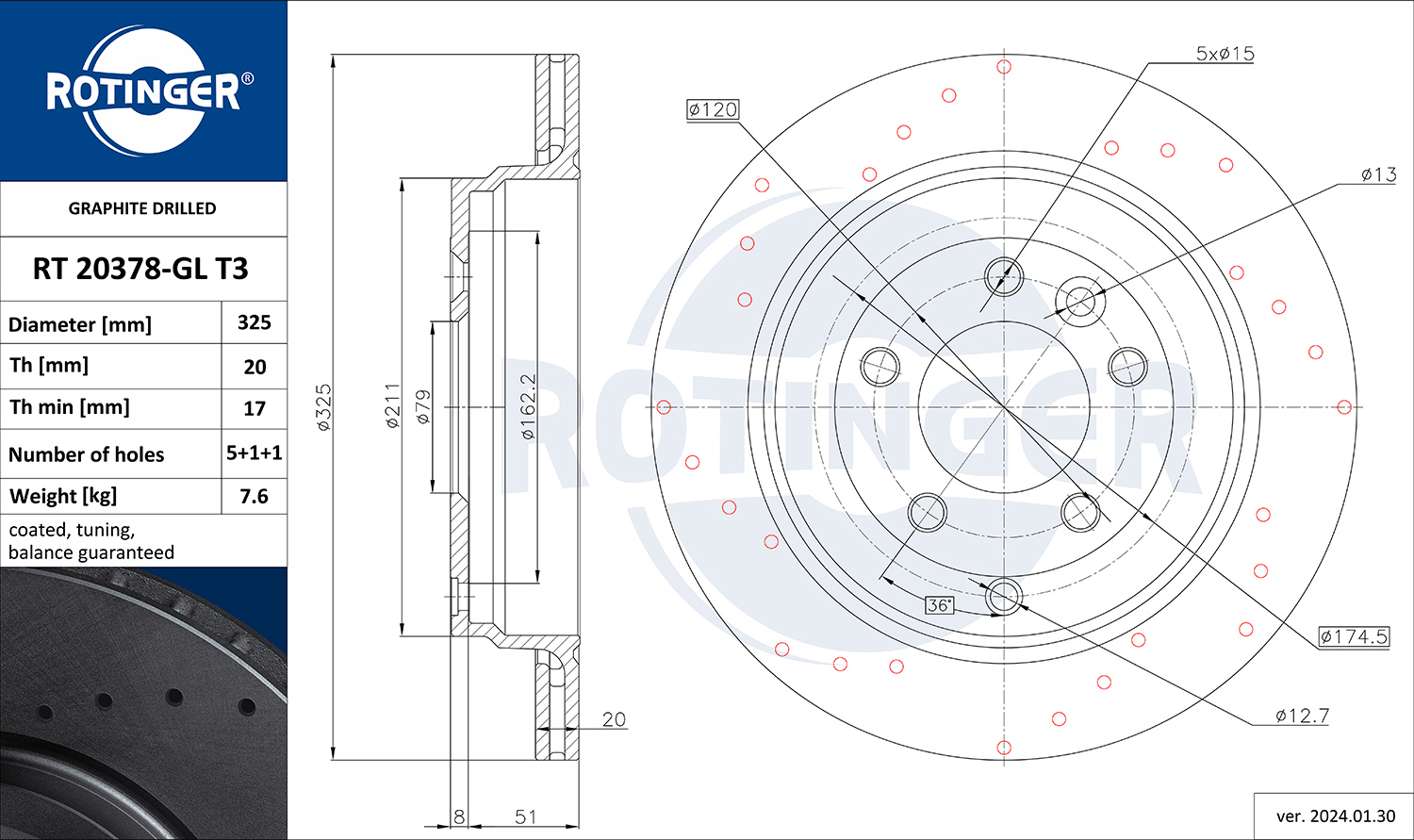
RT 20378-GL T3ROTINGER

tarcza hamulcowa
TARCZA HAMULCOWA LAND ROVER DISCOVERY III [325X59]
Parametry:
  • Typ tarczy hamulcowej : perforowany
  • Typ tarczy hamulcowej : wentylowany
  • Powierzchnia : pokrywany galwanicznie
  • Strona zabudowy : Oś tylna
  • średnica zewnętrzna [mm] : 325
  • Średnica wewnętrzna [mm] : 199
  • Średnica otworu centrującego [mm] : 79
  • Wysokość [mm] : 59,1
  • Grubość tarczy hamulcowej [mm] : 20
  • Minimalna grubość [mm] : 17
  • Liczba otworów : 5
  • Wymiar gwintu : 15
  • Liczba otworów 1 : 1
  • rozstaw otworów 1 [mm] : 120
  • Ciężar [kg] : 7,6
  • Ø rozmieszczenia otworów [mm] : 120
( brutto)
SKU RT 20378-GL T3
Producent

Kłodnica
Towar dostępny od ręki
0
LAND ROVER: DISCOVERY III (L319) (2004-07 » 2009-09), DISCOVERY III VAN (L319) (2007-01 » 2009-07), DISCOVERY IV (L319) (2009-09 » 2018-12), DISCOVERY IV VAN (L319) (2009-09 » 2017-12), RANGE ROVER SPORT I (L320) (2005-02 » 2013-03)