Witaj! Panel klienta

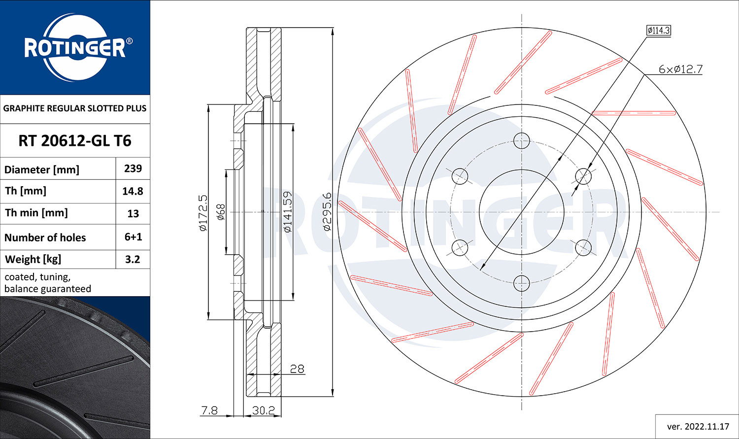
RT 20612-GL T6ROTINGER

tarcza hamulcowa
TARCZA HAMULCOWA NISSAN NAVARA, PATHFINDER [296X38]
Parametry:
  • Typ tarczy hamulcowej : wentylowany
  • Powierzchnia : pokrywany galwanicznie
  • Strona zabudowy : Oś przednia
  • średnica zewnętrzna [mm] : 296
  • Średnica wewnętrzna [mm] : 160,2
  • Średnica otworu centrującego [mm] : 68
  • Wysokość [mm] : 38,2
  • Grubość tarczy hamulcowej [mm] : 28
  • Minimalna grubość [mm] : 26
  • Liczba otworów : 6
  • Wymiar gwintu : 12,7
  • Ciężar [kg] : 7,9
  • Ø rozmieszczenia otworów [mm] : 114,3
( brutto)
SKU RT 20612-GL T6
Producent

Kłodnica
Towar dostępny od ręki
0
NISSAN: NAVARA NP300 (D40) (2004-10 » ), NAVARA NP300 Platforma / podwozie (D40) (2008-07 » ), PATHFINDER III (R51) (2005-01 » ), PATHFINDER III VAN (R51_) (2005-01 » 2014-08)