Witaj! Panel klienta

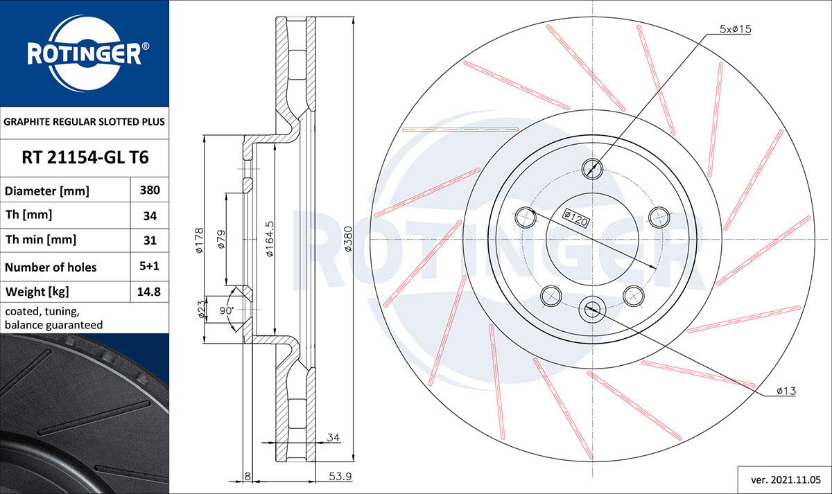
RT 21154-GL T6ROTINGER

tarcza hamulcowa
TARCZA HAMULCOWA RANGE ROVER [380X62]
Parametry:
  • Typ tarczy hamulcowej : wentylowany
  • Powierzchnia : pokrywany galwanicznie
  • Strona zabudowy : Oś przednia
  • średnica zewnętrzna [mm] : 380
  • Średnica wewnętrzna [mm] : 165
  • Średnica otworu centrującego [mm] : 79
  • Wysokość [mm] : 62
  • Grubość tarczy hamulcowej [mm] : 34
  • Minimalna grubość [mm] : 31
  • Liczba otworów : 5
  • Wymiar gwintu : 15,1
  • Ciężar [kg] : 14,8
  • Ø rozmieszczenia otworów [mm] : 120
( brutto)
SKU RT 21154-GL T6
Producent

Kłodnica
Towar dostępny od ręki
0
LAND ROVER: AH321125CA, LR016176
ROVER: LR016176
LAND ROVER: RANGE ROVER IV (L405) (2012-08 » 2021-09), RANGE ROVER SPORT I (L320) (2005-02 » 2013-03), RANGE ROVER SPORT II (L494) (2013-04 » 2022-03)