Witaj! Panel klienta

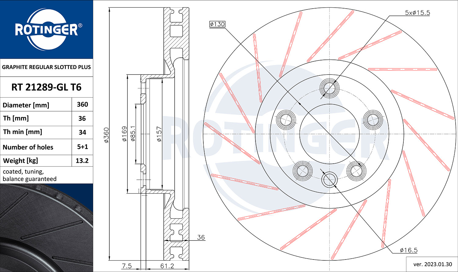
RT 21289-GL T6ROTINGER

tarcza hamulcowa
TARCZA HAMULCOWA PORSCHE CAYENNE, VW TOUAREG (7P5) [360X69] - LEFT
Parametry:
  • Typ tarczy hamulcowej : wentylowany
  • Powierzchnia : pokrywany galwanicznie
  • Strona zabudowy : Oś przednia, z lewej
  • sparowany numer artykułu : RT 21288-GL T6
  • średnica zewnętrzna [mm] : 359,8
  • Średnica wewnętrzna [mm] : 157
  • Średnica otworu centrującego [mm] : 85,1
  • Wysokość [mm] : 68,7
  • Grubość tarczy hamulcowej [mm] : 36
  • Minimalna grubość [mm] : 34
  • Liczba otworów : 5
  • Wymiar gwintu : 15,5
  • Ciężar [kg] : 13,2
  • Ø rozmieszczenia otworów [mm] : 130
( brutto)
SKU RT 21289-GL T6
Producent

Kłodnica
Towar dostępny od ręki
0