Witaj! Panel klienta

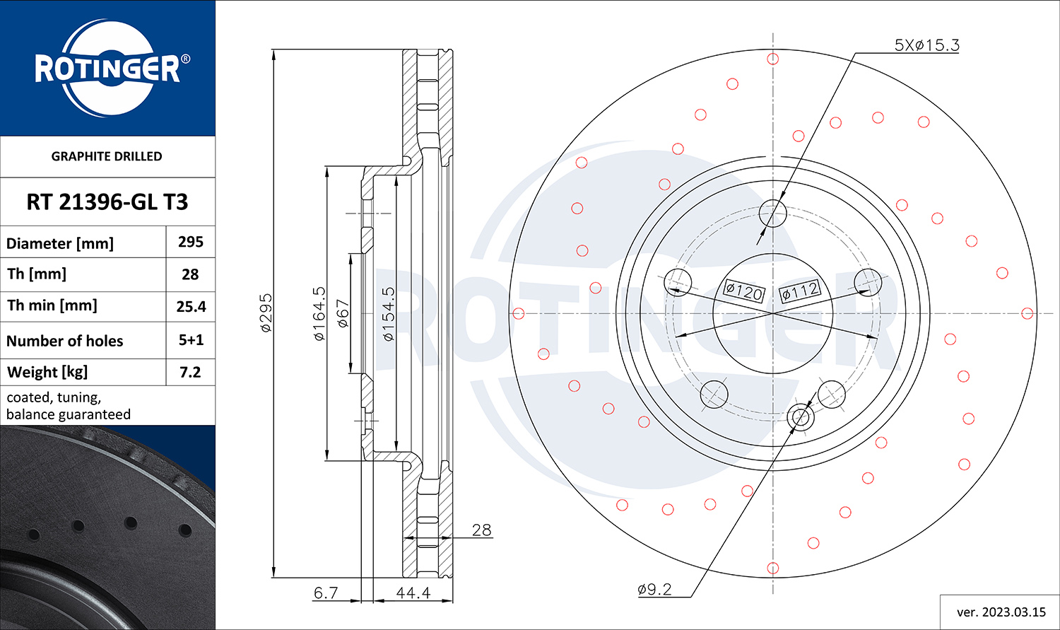
RT 21396-GL T3ROTINGER

tarcza hamulcowa
TARCZA HAMULCOWA MERCEDES-BENZ KLASA B [295X51]
Parametry:
  • Typ tarczy hamulcowej : wentylowany
  • Typ tarczy hamulcowej : perforowany
  • Powierzchnia : pokrywany galwanicznie
  • Strona zabudowy : Oś przednia
  • średnica zewnętrzna [mm] : 295
  • Średnica wewnętrzna [mm] : 154,5
  • Średnica otworu centrującego [mm] : 67
  • Wysokość [mm] : 51,3
  • Grubość tarczy hamulcowej [mm] : 28
  • Minimalna grubość [mm] : 26
  • Liczba otworów : 5
  • Wymiar gwintu : 15,3
  • Ciężar [kg] : 7,2
  • Ø rozmieszczenia otworów [mm] : 112
( brutto)
SKU RT 21396-GL T3
Producent

Kłodnica
Towar dostępny od ręki
0
MERCEDES-BENZ: CLA coupe (C117) (2013-01 » 2019-03), CLA Shooting Brake (X117) (2015-01 » 2019-03), KLASA A (W176) (2012-06 » 2018-05), KLASA B Sports Tourer (W246, W242) (2011-10 » 2018-12), KLASA GLA (X156) (2013-12 » 2022-05)