Witaj! Panel klienta

RT 2831-GL T6ROTINGER

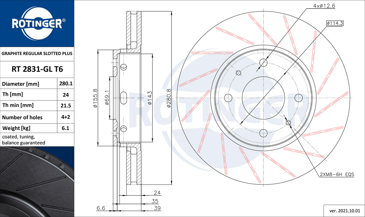
tarcza hamulcowa
TARCZA HAMULCOWA MITSUBISHI CARISMA, VOLVO S40, V40[281X46]
Parametry:
  • Typ tarczy hamulcowej : wentylowany
  • Powierzchnia : pokrywany galwanicznie
  • Strona zabudowy : Oś przednia
  • średnica zewnętrzna [mm] : 280,8
  • Średnica wewnętrzna [mm] : 143
  • Średnica otworu centrującego [mm] : 69,1
  • Wysokość [mm] : 45,6
  • Grubość tarczy hamulcowej [mm] : 24
  • Minimalna grubość [mm] : 21,5
  • Liczba otworów : 4
  • Wymiar gwintu : 12,6
  • Ciężar [kg] : 6,1
  • Ø rozmieszczenia otworów [mm] : 114,3
( brutto)
SKU RT 2831-GL T6
Producent

Kłodnica
Towar dostępny od ręki
0
A.B.S.: 17022
A.P.: 24749
ACDELCO: AC2422D
AIMCO: 34210
AP: 24749
APEC: DSK799
ASHUKI BY PALIDIUM: 0990-3505
ATE: 24 0124 0159 1, 24 0324 0159 1, 24 1124 0159 1, CW24159
BARUM: BAR24159
BECK/ARNLEY: 0832815
BENDIX: 562088B, 562088BC
BLUE PRINT: ADC44389
BORG & BECK: BBD4132
BOSCH: 0 986 478 493, 0 986 479 139, 0 986 479 872, 0 986 479 B37, 986478493, F 026 A01 360
BRADI: 1603124
BRAKE ENGINEERING: DI955917
BRECO: BS 8335
BREMBO: 09 7720 10, 09 7720 11, 09 7720 75, FS.092.000
CAR: 142671, HPD 671
CIFAM: 800-467
DBA AUSTRALIA: DBA886
DELPHI: BG3501, BG3501C
DON: PCD11932
DURA: BR34210
FAG: BS 4572
FEBI BILSTEIN: 14844
FERODO: DDF1068, DDF10681, DDF1068C, DDF1068C1, DDF1068X
FIRST LINE: FBD 1088
FTE: 9072127, 9082013, BS4572, BS4572B
GALFER: B1.G224-0159.1, G2124159
GIRLING: 6040541
GRAF: DF29467
HELLA: 8DD 355 107-021, 8DD 355 107-031, 8DD 355 107-032, 8DD 355 124-781
HELLA PAGID: 8DD 355 107-021, 8DD 355 107-031, 8DD 355 107-032, 8DD 355 124-781
HERTH+BUSS JAKOPARTS: J3305053
HI-Q: SD6102
ICER: 78BD8027-2
INTERBRAKE: VV.35.1V
JAPANPARTS: DI-540
JURID: 562088J, 562088JC
LEMFORDER: 31922 01
LPR: V1351V, V1351VR
MAGNETI MARELLI: 353616031240, 360406052000, 360704031600, 431602042500
MAPCO: 15963
METELLI: 230467
METZGER AUTOTEILE: 24749, 24749 V
MEYLE: 5155215019, 515 521 5019/PD
MGA: D1267
MINTEX: MDC1081, MDK0203
NATIONAL: NBD970
NIPPARTS: J3305053
NK: 204839, 314839
OBTEC A/S: 383815V
OPTIMAL: BS-5850, BS-5850C
PAGID: 50281, 50281PRO
PEX: 140671
PILENGA: V262
QH BENELUX: 57860
QUINTON HAZELL: BDC4572, BDC4572BD, BSF4572, MBD4572
RAYBESTOS: 980084
REMSA: 658510
ROADHOUSE: 6585 10
ROTINGER: RT 2831-GL, RT 2831-GL T1, RT 2831-GL T2, RT 2831-GL T3, RT 2831-GL T4, RT 2831-GL T5, RT 2831-GL T6, RT 2831-GL T7, RT 2831-GL T9, RT 2831 T1, RT 2831 T2, RT 2831 T3, RT 2831 T4, RT 2831 T5, RT 2831 T6, RT 2831 T7, RT 2831 T9
ROULUNDS BRAKING: D2422
ROULUNDS RUBBER: D2422
RUVILLE: BFR410110
SBS: 1815204839, 1815314839
ST-TEMPLIN: 0311029670, 0311029675
SWAG: 55 91 4844
TEXTAR: 92100400, 92100403, 98200100401
TRISCAN: 8120 27128
TRUSTING: DF902
TRW: DF4054
VAICO: V95-80007
VALEO: 186707
WAGNER: BD180003
ZIMMERMANN: 610370000, 610370020, 610370050, 610370052
MITSUBISHI: CARISMA (DA_) (1995-05 » 2006-06), CARISMA sedan (DA_) (1996-09 » 2006-06)
VOLVO: S40 I (644) (1995-07 » 2004-12), V40 Kombi (645) (1995-07 » 2004-06)