AP: 25372APEC: DSK2838,
SDK6297ATE: 24 0128 0252 1BENDIX: 562713BCBOSCH: 0986479716BRECO: BS 8982BREMBO: 09B63310,
PAD1716DELPHI: BG4328FEBI BILSTEIN: 39346FERODO: DDF1974C,
DDF1974C1FTE: BS7284GIRLING: DF6131SJURID: 562713JC,
562713JC1KNORR-BREMSE: K206954N50LPR: R1043V,
R1043VRMEYLE: 6155210049MINTEX: BDS1035,
MDC2240NK: 203976,
313976NUOVA TECNODELTA: 1421578OPTIMAL GERMANY: BS8682HCPAGID: 55286,
55286NCPILENGA: V385,
V3852QUINTON HAZELL: BDC5990,
MBD5990RAICAM: RD01166REMSA: 6147510ROADHOUSE: 6147510ROTINGER: RT 4552-GL,
RT 4552-GL T1,
RT 4552-GL T2,
RT 4552-GL T3,
RT 4552-GL T4,
RT 4552-GL T5,
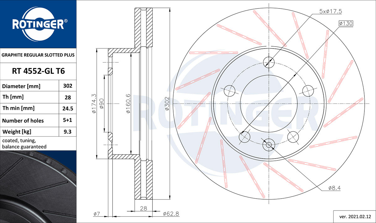
RT 4552-GL T6,
RT 4552-GL T7,
RT 4552-GL T9,
RT 4552 T1,
RT 4552 T2,
RT 4552 T3,
RT 4552 T4,
RT 4552 T5,
RT 4552 T6,
RT 4552 T7,
RT 4552 T9SBS: 1815203976,
1815313976TEXTAR: 92228600,
92228603TRW: DF6131S,
DF962VALEO: 197566,
497018,
672592ZIMMERMANN: 430262520
NISSAN: INTERSTAR Furgon (X62B) (2021-11 » ), INTERSTAR Furgon (XDD) (2024-06 » ), INTERSTAR Platforma / podwozie (X62B) (2021-11 » ), INTERSTAR Platforma / podwozie (XDE) (2024-09 » ), NV400 Autobus (X62, X62B) (2011-11 » ), NV400 Furgon (X62, X62B) (2011-11 » ), NV400 Platforma / podwozie (X62, X62B) (2011-11 » )
OPEL: MOVANO B Autobus (X62) (2010-12 » ), MOVANO B Furgon (X62) (2010-05 » ), MOVANO B Platforma / podwozie (X62) (2010-05 » )
RENAULT: MASTER III Autobus (JV) (2011-02 » ), MASTER III Furgon (FV) (2010-02 » ), MASTER III Platforma / podwozie (EV, HV, UV) (2010-02 » ), MASTER IV Autobus (2024-06 » ), MASTER IV Furgon (F8__) (2024-06 » ), MASTER IV Platforma / podwozie (EH_, UH_, HH_) (2024-06 » )