FORD: 1498518,
2C1T10300BA,
2C1T10300BB,
4041623,
4041624,
4047101,
4047102,
4055746,
4068170,
4098414,
4332279,
4362258,
4461712,
4668037,
R2C1T10300BA,
YC1J-10300-DA,
YC1U10300BC,
YC1U-10300-DA,
YC1U-10300-EA,
YC1U10300EB,
YC1U10300EC,
YC1UEA
AS-PL: 2014108.0,
2014108.1,
2014108.4,
20150801BN,
20150801OE,
20150801RE,
301779RI,
301779RIV,
4720,
4G0444,
4G0476R,
4G1012,
5510008,
ALF1779,
ALT161080,
ALT21803,
ALT21818,
ALT446NP,
ALT447CP,
ALT6850,
ALTL001VI,
ALTL041,
ALTL041B,
ALTL041NE,
CGB-15370,
CGB-83814,
GA001007VI-R,
PRAL001VI,
PRAL041,
STX100282,
STX100282R,
STX100328,
STX100328R,
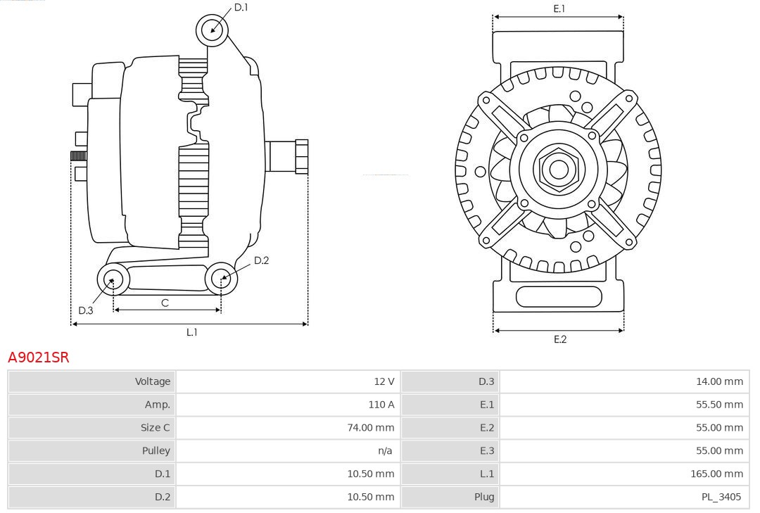
STX101977AUTOELECTRO: AEA4244BOSCH: 0986045370BV PSH: 595.519.124.020,
595.519.124.230,
595.519.124.235,
A134.506,
A146.699CASCO: CAL14108AS,
CAL14108GS,
CAL14108OSDELCO REMY: DB6480,
DB6480N,
DRB5370,
DRB5370N,
RAA27481EAI: 56874ELSTOCK: 28-3814ERA: 210399GHIBAUDI: AG0481HC-CARGO: 113913,
F032113913HC-PARTS: CA1779IRHELLA: 8EL011710-781,
8EL738189-001HERTH+BUSS ELPARTS: 32045370LUCAS: LRA01928,
LRA1928MAGNETI MARELLI: 063380007010,
063731779010,
944390453700,
MQA1779,
MRA45370POWERMAX: 89213759VALEO: 200088,
440259VISTEON: 20-150-01007WAI: 8529N
FORD: TRANSIT Autobus (FD_ _, FB_ _, FS_ _, FZ_ _, FC_ _) (2000-01 » 2006-05), TRANSIT Furgon (FA_ _) (2000-01 » 2006-05), TRANSIT Platforma / podwozie (FM_ _, FN_ _) (2000-01 » 2006-05)
LTI: TX (1997-01 » )