Witaj! Panel klienta

800-1072CCIFAM

tarcza hamulcowa
TARCZA HAMULC. BMW 3 E36 M3 92-00 LP
Parametry:
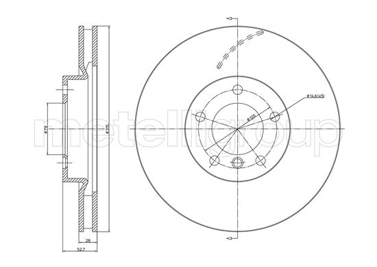
  • Oznaczenie kontrolne : ECE-R90
  • Wysokość [mm] : 52,7
  • Typ tarczy hamulcowej : wentylowany
  • Grubość tarczy hamulcowej [mm] : 28,0
  • średnica zewnętrzna [mm] : 315,0
  • Liczba otworów : 5
  • Średnica otworu centrującego [mm] : 79,0
  • Powierzchnia : lakierowany
( brutto)
SKU 800-1072C
Producent

Kłodnica
Towar dostępny od ręki
0
Magazyn 1.
Pn-Pt zamówienia do 10:55 - dostawa 3 trasa Zamówienia do 17:55 dostawa 1 trasa rano
0
A.B.S.: 16334
APEC: DSK2003
ASHIKA: 60-00-0111
ATE: 24.0128-0198.1, 428198
BENDIX: 520657, 562009B
BOSCH: 0 986 478 748
BRAKE ENGINEERING: DI955415, DI955415S
BRECO: BS8174, BV8174
BREMBO: 09.5934.10, 09.5934.11
DELPHI: BG3215
FEBI BILSTEIN: 43970
FERODO: DDF804, DDF804C
FIRST LINE: FBD1083
FRI.TECH.: BD0879
GUTTMANN: 5012562551
JAPANPARTS: DI-0111, DI-0111C
JAPKO: 600111
JURID: 520657, 562009J
MAPCO: 15662
METELLI: 23-1072C
MEYLE: 3155210026, 3155210026/PD, 3155213051, 3155213051/PD
MINTEX: MDC1524
OPTIMAL: BS-5080C
PAGID: 50431
PILENGA: V461L
QH BENELUX: HP57710
QUINTON HAZELL: BDC4549
REMSA: DF6508.10
ROADHOUSE: 6508.10
SWAG: 20943970
TEXTAR: 982000711
TRUSTING: DF879
TRW: DF2731S
VAICO: V20-80030
VEMA: 98208
VILLAR: 6281860
WOKING: D6508.10
ZIMMERMANN: 150129020
BMW: 3 (E36) (1990-09 » 1998-11), 3 coupe (E36) (1991-10 » 1999-05), 3 kabriolet (E36) (1993-03 » 1999-11)