Witaj! Panel klienta

800-1100CCIFAM

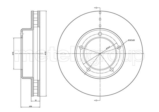
tarcza hamulcowa
TARCZA HAMULC. TOYOTA LAND CRUISER 100 98-08
Parametry:
  • Oznaczenie kontrolne : ECE-R90
  • Wysokość [mm] : 69,7
  • Typ tarczy hamulcowej : wentylowany
  • Grubość tarczy hamulcowej [mm] : 32,0
  • średnica zewnętrzna [mm] : 312,8
  • Liczba otworów : 5
  • Średnica otworu centrującego [mm] : 115,0
  • Powierzchnia : lakierowany
( brutto)
SKU 800-1100C
Producent

Kłodnica
Towar dostępny od ręki
0
Magazyn 1.
Pn-Pt zamówienia do 10:55 - dostawa 3 trasa Zamówienia do 17:55 dostawa 1 trasa rano
0
A.B.S.: 17189
APEC: DSK2149
ASHIKA: 60-02-224, 60-02-224C
ATE: 24.0132-0148.1, 432148
BENDIX: 520754, 562559BC
BLUE PRINT: ADT343190
BOSCH: 0 986 479 567
BRAKE ENGINEERING: DI955976
BRECO: BS8465, BV8465
BREMBO: 09.9143.10, 09.9143.11
CAR: 1421042
FEBI BILSTEIN: 170782
FERODO: DDF1211-1
FRI.TECH.: BD0519
FTE: BS7695
GUTTMANN: 5026062751
ICER: 78BD1265-2
INTERBRAKE: TT061V
JAPANPARTS: DI-224, DI-224C
JAPKO: 60224, 60224C
JURID: 520754, 562559JC
METELLI: 23-1100C
NATIONAL: NBD1011
NK: 204597, 314597
OPTIMAL: BS-8586HC
PAGID: 50330NC
QUINTON HAZELL: BDC5677
REMSA: BDM6945.10
ROADHOUSE: 6945.10
SBS: 1815204597, 1815314597
SKF: VKBD80749V1
TRUSTING: DF519
TRW: DF4506
VALEO: 673620
VILLAR: 6281877
WOKING: D6945.10
ZIMMERMANN: 590257300, 590257320
LEXUS: LX (UZJ100) (1997-09 » 2008-03)
TOYOTA: LAND CRUISER 100 (_J1_) (1998-01 » 2008-07)
TOYOTA (FAW): LAND CRUISER 100 (_J10_) (2003-10 » 2007-07)