Witaj! Panel klienta

800-1771CCIFAM

tarcza hamulcowa
TARCZA HAMULC. MINI COOPER,ONE 13- TYŁ
Parametry:
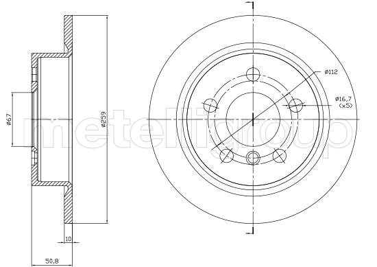
  • Oznaczenie kontrolne : ECE-R90
  • Wysokość [mm] : 50,8
  • Typ tarczy hamulcowej : pełny
  • Grubość tarczy hamulcowej [mm] : 10,0
  • średnica zewnętrzna [mm] : 259,0
  • Liczba otworów : 5
  • Średnica otworu centrującego [mm] : 67,0
  • Powierzchnia : lakierowany
( brutto)
SKU 800-1771C
Producent

Kłodnica
Towar dostępny od ręki
0
Magazyn 1.
Pn-Pt zamówienia do 10:55 - dostawa 3 trasa Zamówienia do 17:55 dostawa 1 trasa rano
0
APEC: DSK3125
ASHIKA: 61-00-0136
ATE: 24.0110-0396.1
BLUE PRINT: ADB114320
BOSCH: 0 986 479 C96
BREMBO: 08.C745.11
CAR: 1421825, HPD1825
FEBI BILSTEIN: 104103
FERODO: DDF2656C
FRI.TECH.: BD1771
FTE: BS7826B
INTERBRAKE: BM591P
JAPANPARTS: DP-0136, DP-0136C
JAPKO: 610136
KLAXCAR FRANCE: 25602z
METELLI: 23-1771C
MEYLE: 3155230063/PD
MINTEX: MDC2727
OPTIMAL: BS-9144C
PAGID: 55793, 55793NC
QUINTON HAZELL: BDC6129
REMSA: BDM1618.00
ROADHOUSE: 61618.00
SKF: VKBD90248S2
TEXTAR: 92279305
TRUSTING: DF1771
TRW: DF6795
VALEO: 197779, 673065
ZIMMERMANN: 150292820
MINI: MINI (F55) (2013-09 » ), MINI (F56) (2013-12 » ), MINI kabriolet (F57) (2014-11 » )