Witaj! Panel klienta

800-1834CCIFAM

tarcza hamulcowa
TARCZA HAMULC. FORD S-MAX 15- PRZÓD
Parametry:
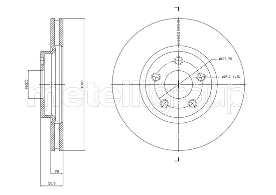
  • Oznaczenie kontrolne : ECE-R90
  • Wysokość [mm] : 50,9
  • Typ tarczy hamulcowej : wentylowany
  • Grubość tarczy hamulcowej [mm] : 28,0
  • średnica zewnętrzna [mm] : 300,0
  • Liczba otworów : 5
  • Średnica otworu centrującego [mm] : 63,5
  • Powierzchnia : lakierowany
( brutto)
SKU 800-1834C
Producent

Kłodnica
Towar dostępny od ręki
0
Magazyn 1.
Pn-Pt zamówienia do 10:55 - dostawa 3 trasa Zamówienia do 17:55 dostawa 1 trasa rano
0
ASHIKA: 60-00-0312
ATE: 24.0128-0298.1
BLUE PRINT: ADF124305
BOSCH: 0 986 479 D44
BREMBO: 09.N255.41
CAR: 1422093
DELPHI: BG4918C
FEBI BILSTEIN: 28361
FERODO: DDF2816C
FRI.TECH.: BD1834
FTE: BS7815B
JAPANPARTS: DI-0312
JAPKO: 600312
LPR: F1044VR
MAPCO: 45027C
METELLI: 23-1834C
MINTEX: MDC2764
OPEN PARTS: BDA2788.20
PAGID: 55831
PILENGA: V1510
REMSA: BDM1603.10
ROADHOUSE: 61603.10
TEXTAR: 92283105
TRUSTING: DF1834
TRW: DF6810S
VILLAR: 6282989
ZIMMERMANN: 250138320
FORD: GALAXY III (CK) (2015-01 » ), S-MAX (CJ, WA6) (2015-01 » )