Witaj! Panel klienta

800-434CCIFAM

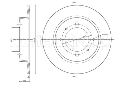
tarcza hamulcowa
TARCZA HAMULC. VOLVO S40,V40 95-03 TYŁ
Parametry:
  • Oznaczenie kontrolne : ECE-R90
  • Wysokość [mm] : 41,0
  • Typ tarczy hamulcowej : pełny
  • Grubość tarczy hamulcowej [mm] : 10,0
  • średnica zewnętrzna [mm] : 260,0
  • Liczba otworów : 4
  • Średnica otworu centrującego [mm] : 90,0
  • Powierzchnia : lakierowany
( brutto)
SKU 800-434C
Producent

Kłodnica
Towar dostępny od ręki
0
Magazyn 1.
Pn-Pt zamówienia do 10:55 - dostawa 3 trasa Zamówienia do 17:55 dostawa 1 trasa rano
0
MITSUBISHI: MB699288, MR913846
VOLVO: 30872940
A.B.S.: 16591
APEC: DSK704
ATE: 24.0110-0229.1, 410229
BARUM: BAR10229
BENDIX: 520948, 562059B, 562059BC
BLUE PRINT: ADC44382
BOSCH: 0 986 478 898
BRADI: 1.6027.5.4
BRAKE ENGINEERING: DI955673
BRECO: BS7544, BV7544
BREMBO: 08.7042.10, 08.7042.11
CAR: 142673
DELPHI: BG3112, BG3203
FEBI BILSTEIN: 14925
FERODO: DDF886, DDF886C
FREMAX: BD-2940
FRI.TECH.: BD0192
FTE: BS4634, BS4634B
GUTTMANN: 5020027711
HELLA: 355105471
ICER: 78BD2940-2
INTERBRAKE: HVV341P, VV341P
JAPANPARTS: DP-511, DP-511C
JAPKO: 61511, 61511C
JURID: 520948, 562059J, 562059JC
KNECHT: KT5265
LPR: V1341P, V1341PR
MAGNETI MARELLI: 353616027540, 360406051700, 431602042250
MAPCO: 15543
METELLI: 23-0434C
MEYLE: 5155235029, 5155235029/PD
MGA: 105D1234
MINTEX: MDC1021, MDC1021C
NATIONAL: NBD869
NIPPARTS: J3315019
NK: 204840, 314840
OPEN PARTS: BDA1735.10, BDR1735.10
OPTIMAL: BS-4470C
PAGID: 54024, 54024NC, 54127
PILENGA: 5265
QH BENELUX: 57774
QUINTON HAZELL: BDC4634
REMSA: BDM6735.10, DF6447.00, DF6735.10
ROADHOUSE: 6447.00
SASIC: 9004597J
SBS: 1815204840, 1815314840
SKF: VKBD90201S2
SWAG: 55914925
TEXTAR: 92083000, 98200083001
TRUSTING: DF192
TRW: DF2784
VALEO: 186647
VEMA: 98426
VILLAR: 6281179
WOKING: D6447.00
ZIMMERMANN: 610119800, 610119820
MITSUBISHI: CARISMA (DA_) (1995-05 » 2006-06), CARISMA sedan (DA_) (1996-09 » 2006-06), SPACE STAR nadwozie wielkoprzestrzenne (MPV) (DG_A) (1998-06 » 2004-12)
PROTON: IMPIAN (2001-09 » )
VOLVO: S40 I (644) (1995-07 » 2004-12), V40 Kombi (645) (1995-07 » 2004-06)