Witaj! Panel klienta

800-503CCIFAM

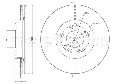
tarcza hamulcowa
TARCZA HAMULC. HONDA HR-V 99-05
Parametry:
  • Oznaczenie kontrolne : ECE-R90
  • Wysokość [mm] : 47,1
  • Typ tarczy hamulcowej : wentylowany
  • Grubość tarczy hamulcowej [mm] : 23,0
  • średnica zewnętrzna [mm] : 282,0
  • Liczba otworów : 5
  • Średnica otworu centrującego [mm] : 70,2
  • Powierzchnia : lakierowany
( brutto)
SKU 800-503C
Producent

Kłodnica
Towar dostępny od ręki
0
Magazyn 1.
Pn-Pt zamówienia do 10:55 - dostawa 3 trasa Zamówienia do 17:55 dostawa 1 trasa rano
0
A.B.S.: 16588
APEC: DSK326, DSK334, DSK810
ASHIKA: 60-04-496, 60-04-496C
ATE: 24.0123-0104.1, 423104
BENDIX: 520282, 562143B, 562143BC
BLUE PRINT: ADH24341, ADH24343C
BOSCH: 0 986 478 667
BRADI: 1.1928.2.4
BRAKE ENGINEERING: DI955730
BRECO: BS8238, BV8238
BREMBO: 09.6893.10, 09.6893.11, 09.6893.14
CAR: 142913
DELPHI: BG3061, BG3388
FEBI BILSTEIN: 108428
FERODO: DDF829, DDF829C
FREMAX: BD-2586
FRI.TECH.: BD0358
FTE: BS4809
GALFER: 24359VF
GUTTMANN: 5015591351
ICER: 78BD2586-2
INTERBRAKE: HHO441V, HO441V
JAPANPARTS: DI-496, DI-496C
JAPKO: 60496, 60496C
JURID: 520282, 562143J, 562143JC
KNECHT: KTV312
LPR: H1441V
MAGNETI MARELLI: 353611928240, 360406027800
MAPCO: 15609
METELLI: 23-0503C
MEYLE: 31155210016
MGA: 105D1303
MINTEX: MDC998
NATIONAL: NBD817
NIPPARTS: J3304033
NK: 202622, 312622
OPEN PARTS: BDR1681.20, BDRS1681.25
OPTIMAL: BS-5860C
PAGID: 50287
PILENGA: V312
QH BENELUX: 57841
QUINTON HAZELL: BDC4809
REMSA: BDM6681.20, DF6586.10, DF6681.20
ROADHOUSE: 6586.10
SBS: 1815202622, 1815312622
SKF: VKBD80429V2
TEXTAR: 98200101001
TRUSTING: DF358
TRW: DF4028
VALEO: 186778
VEMA: 98294
VILLAR: 6281486
WOKING: D6586.10
ZIMMERMANN: 280316000, 280316020
ACURA: LEGEND coupe (1987-01 » 1991-08), LEGEND II (1991-08 » 1996-08), LEGEND II coupe (1991-08 » 1996-08), RL (1995-10 » 2004-09), TL (1995-06 » 1998-09)
HONDA: CR-V I (RD) (1995-10 » 2002-07), HR-V (GH_) (1999-03 » 2006-12), INSPIRE (UA1, UA3) (1995-06 » 1998-08), INTEGRA coupe (DC) (1993-07 » 2001-11), LEGEND III (KA) (1996-02 » 2004-09), ODYSSEY (RA_) (1995-10 » 2000-10), PRELUDE V (BB_) (1996-10 » 2001-12), SHUTTLE (RA) (1994-06 » 2004-06), STEPWGN (E-RF_, GF-RF_) (1996-05 » 2000-09)