Witaj! Panel klienta

800-518CCIFAM

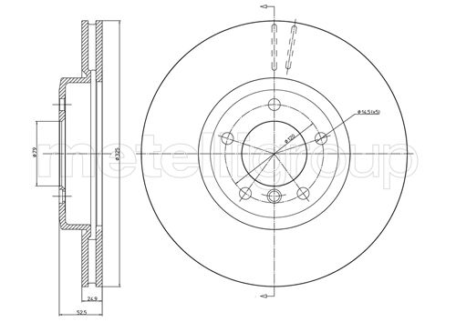
tarcza hamulcowa
TARCZA HAMULC. BMW 3 E46 00-05
Parametry:
  • Oznaczenie kontrolne : ECE-R90
  • Wysokość [mm] : 52,5
  • Typ tarczy hamulcowej : wentylowany
  • Grubość tarczy hamulcowej [mm] : 24,9
  • średnica zewnętrzna [mm] : 325,0
  • Liczba otworów : 5
  • Średnica otworu centrującego [mm] : 79,0
  • Powierzchnia : lakierowany
( brutto)
SKU 800-518C
Producent

Kłodnica
Towar dostępny od ręki
0
Magazyn 1.
Pn-Pt zamówienia do 10:55 - dostawa 3 trasa Zamówienia do 17:55 dostawa 1 trasa rano
0
A.B.S.: 17025
APEC: DSK2181
ASHIKA: 60-00-0113
ATE: 24.0125-0138.1, 24.0325-0138.1, 425138, 525138
BARUM: BAR25138
BENDIX: 520932, 562188B, 562188BC
BLUE PRINT: ADB114353
BOSCH: 0 986 478 012
BRADI: 1.0648.2.4
BRAKE ENGINEERING: DI956071, DI956071S
BRECO: BS8443, BV8443
BREMBO: 09.8952.11
CAR: 142077
DELPHI: BG3830
FEBI BILSTEIN: 43946
FERODO: DDF1174, DDF1174C, DDF1174C-1
FREMAX: BD-6071
FRI.TECH.: BD0739
FTE: 9082555, BS5228B, BS5228HB
GALFER: 24488VF
GUTTMANN: 5012507751
ICER: 78BD6071-2
INTERBRAKE: BW611V, HBW611V
JAPANPARTS: DI-0113, DI-0113C
JAPKO: 600113
JURID: 520932, 562188J, 562188JC
KLAXCAR FRANCE: 25254z
KNECHT: KTV810
LPR: B2548V, B2548VR
MAGNETI MARELLI: 353610648240, 360406017100
MAPCO: 15655
METELLI: 23-0518C
MEYLE: 3155213029, 3155213029/PD, 3835213029/PD
MINTEX: MDC1403, MDC1403C
NATIONAL: NBD1007, PBD1007
NK: 201543, 311543
OPEN PARTS: BDR1881.20, BDRS1881.25
OPTIMAL: BS-6210HC
PAGID: 50318HC, 50318NHC
PILENGA: V810
QH BENELUX: 57968
QUINTON HAZELL: BDC5228
REMSA: BDM6881.20, DF6598.10, DF6881.20
ROADHOUSE: 6598.10
SBS: 1815201543, 1815311543, 1815341543
SKF: VKBD80422V1
SWAG: 20918558, 20943946
TEXTAR: 92106903, 98200106901
TOPRAN: 500579
TRUSTING: DF739
TRW: DF4166, DF4166BP
VAICO: V20-80047
VALEO: 672605
VEMA: 98124
VILLAR: 6281389
WOKING: D6598.10
ZIMMERMANN: 150129420
BMW: 3 (E46) (1997-12 » 2005-05), 3 coupe (E46) (1998-12 » 2006-07), 3 kabriolet (E46) (2000-04 » 2007-12), 3 Touring (E46) (1999-06 » 2005-07), Z4 coupe (E86) (2006-03 » 2009-01), Z4 Roadster (E85) (2002-09 » 2009-12)