Witaj! Panel klienta

800-550CCIFAM

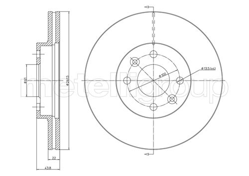
tarcza hamulcowa
TARCZA HAMULC. RENAULT LAGUNA 94-01
Parametry:
  • Oznaczenie kontrolne : ECE-R90
  • Wysokość [mm] : 44,0
  • Typ tarczy hamulcowej : wentylowany
  • Grubość tarczy hamulcowej [mm] : 22,0
  • średnica zewnętrzna [mm] : 262,0
  • Liczba otworów : 4
  • Średnica otworu centrującego [mm] : 61,0
  • Powierzchnia : lakierowany
( brutto)
SKU 800-550C
Producent

Kłodnica
Towar dostępny od ręki
0
Magazyn 1.
Pn-Pt zamówienia do 10:55 - dostawa 3 trasa Zamówienia do 17:55 dostawa 1 trasa rano
0
A.B.S.: 16217
APEC: DSK608
ASHIKA: 60-00-0709
ATE: 24.0122-0148.1, 422148
BARUM: BAR22148
BENDIX: 521999, 561592B, 561592BC
BLUE PRINT: ADR164329
BOSCH: 0 986 478 598
BRADI: 1.4025.2.4
BRAKE ENGINEERING: DI955316
BRECO: BS8374
BREMBO: 09.7292.30, 09.7292.34
CAR: 142557
DELPHI: BG2693
FEBI BILSTEIN: 19925
FERODO: DDF1006, DDF1006C, DDF363
FREMAX: BD-2232
FRI.TECH.: BD0473
FTE: BS4338, BS4338B
GALFER: 24139VF
GUTTMANN: 5022055751
ICER: 78BD2232-2
INTERBRAKE: HRN321V, RN321V
JAPANPARTS: DI-0709, DI-0709C
JAPKO: 600709
JURID: 521999, 561592J, 561592JC
KNECHT: KTV742
LPR: R1321V
MAGNETI MARELLI: 353614025240, 360406043300, 431602040200
MAPCO: 15114, 15114/2
METELLI: 23-0550C
MEYLE: 16155210001
MGA: 105D1180
MINTEX: MDC777
NATIONAL: NBD489
NK: 203911, 313911
OPEN PARTS: BDA1464.20, BDR1464.20
OPTIMAL: BS-2270C
PAGID: 52831
PILENGA: V742
QH BENELUX: 57450
QUINTON HAZELL: BDC4338
REMSA: BDM6464.20, DF6464.20
ROULUNDS RUBBER: D2091
SASIC: 4004273J
SBS: 1815203911, 1815313911
SKF: VKBD80566V2
SWAG: 60919925
TEXTAR: 98200064801
TRUSTING: DF473
TRW: DF1032
VALEO: 186304, 673307
VEMA: 98066
VILLAR: 6280556
WOKING: D6227.10
ZIMMERMANN: 470241000
RENAULT: LAGUNA I (B56_, 556_) (1993-11 » 2002-08), LAGUNA I Grandtour (K56_) (1995-09 » 2002-08), MEGANE I (BA0/1_) (1995-08 » 2004-12), MEGANE I Cabriolet (EA0/1_) (1996-10 » 2003-08), MEGANE I Coach (DA0/1_) (1996-03 » 2003-08), MEGANE I Grandtour (KA0/1_) (1999-03 » 2003-08), MEGANE Scenic (JA0/1_) (1996-10 » 2001-12), SAFRANE I (B54_) (1992-04 » 1997-10)