Witaj! Panel klienta

S6377SAS-PL

rozrusznik
ROZRUSZNIK DAIHATSU
Parametry:
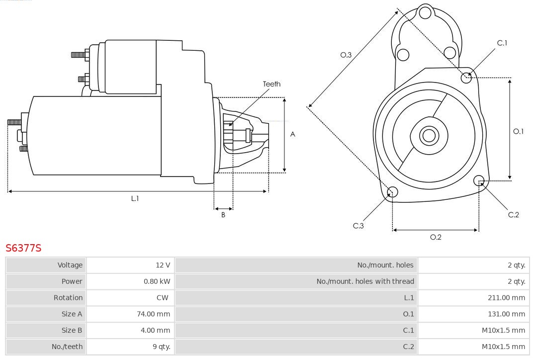
  • Moc znamionowa [kW] : 0,8
  • Napięcie [V] : 12
  • Liczba otworów do mocowania : 2
  • Kierunek obrotów : zgodnie z ruchem wskazówek zegara
  • Liczba zębów : 9
  • Wersja : 128000-6750
  • Jakość : STANDARD LINE
  • Nowa część bez depozytu :
( brutto)
SKU S6377S
Producent

Kłodnica
Towar dostępny od ręki
0
Magazyn 1.
Pn-Pt zamówienia do 10:55 - dostawa 3 trasa Zamówienia do 17:55 dostawa 1 trasa rano
0
Magazyn 2.
Zamówienia do 17:55 dostawa 1 trasa rano
0
Magazyn 3.
Zamówienia do 17:55 dostawa 1 trasa rano
0
DAIHATSU: CHARADE IV (G200, G202) (1993-01 » 2000-09), FEROZA Hard Top (F300) (1988-10 » 1999-12), FEROZA Soft Top (F300) (1988-10 » 1999-12), GRAN MOVE (G3) (1996-10 » )